HMC737
具有半频输出的MMIC VCO,14.9 - 15.5 GHz
制造商:ADI/AD
产品信息
优势和特点
双路输出:Fo = 14.9 - 15.5 GHzFo/2 = 7.45 - 7.75 GHz
Pout: +9 dBm
相位噪声: -105 dBc/Hz @ 100 kHz
无需外部谐振器
24引脚4x4 mm QFN封装: 16 mm²
产品详情
HMC737是一款GaAs InGaP异质结双极性晶体管(HBT) MMIC VCO。 该器件集成谐振器、负电阻器件、变容二极管,并具有半频输出。 由于振荡器的单芯片结构,VCO的相位噪声性能在温度、冲击和工艺条件下尤为出色。 采用+4.2V电源电压时,输出功率为+9 dBm(典型值)。 该压控振荡器采用无铅QFN 4x4 mm表贴封装,同时无需外部匹配元件。
应用
点对多点无线电
测试设备和工业控制
SATCOM
军用最终用途
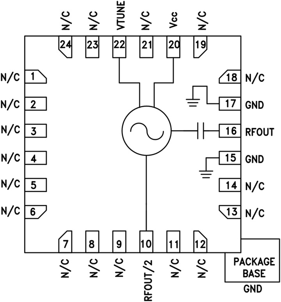
电路图、引脚图和封装图
应用案例
HMC737LP4/737LP4E具有半频输出的MMIC VCO,14.9-15.5GHz技
2025-04-30
波音737MAX的阴云仍未散去全球波音737MAX机型已经全部停飞
2019-03-23
波音737事故反思:自动驾驶系统是否真的值得被信任?
2019-03-15
波音737 MAX坠机启示:智能技术与哑巴机器组合暗藏危险
2019-03-24
波音737MAX危机将导致波音品牌价值损失120亿美元
2019-04-17
波音737MAX操作安全认证是竟然是自己完成的, FAA遭遇信任危机
2019-03-24
波音737 MAX 7成功完成首飞测试,将于2019年获取认证并交付航空公司
2018-08-07
波音737MAX失事的原因被广为猜测,迎角传感器对飞机而言有什么作用?
2019-03-15

