HMC736
具有半频输出的MMIC VCO,14.5 - 15.0 GHz
制造商:ADI/AD
产品信息
优势和特点
双路输出:Fo = 14.5 - 15.0 GHz Fo/2 = 7.25 - 7.5 GHz
Pout: +9 dBm
相位噪声: -105 dBc/Hz @ 100 kHz
无需外部谐振器
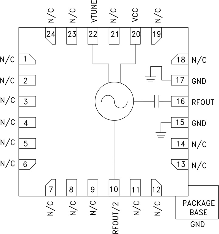
24引脚4x4 mm QFN封装: 16 mm²
产品详情
HMC736是一款GaAs InGaP异质结双极性晶体管(HBT) MMIC VCO。 该器件集成谐振器、负电阻器件、变容二极管,并具有半频输出。 由于振荡器的单芯片结构,VCO的相位噪声性能在温度、冲击和工艺条件下尤为出色。 采用+4.2V电源电压时,输出功率为+9 dBm(典型值)。 该压控振荡器采用无铅QFN 4x4 mm表贴封装,同时无需外部匹配元件。
应用
点对多点无线电
测试设备和工业控制
SATCOM
军用最终用途

