HMC735
具有4分频功能的VCO,10.5 - 12.2 GHz
制造商:ADI/AD
产品信息
优势和特点
双路输出: Fo = 10.5 - 12.2 GHzFo/4 = 2.625 - 3.05 GHz
Pout: +17 dBm
相位噪声: -100 dBc/Hz(100 kHz,典型值)
无需外部谐振器
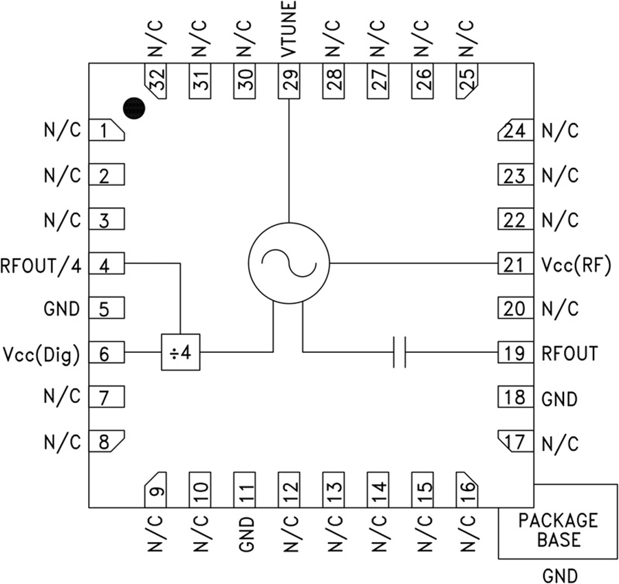
32引脚5x5 mm QFN封装: 25 mm²
产品详情
HMC735是一款GaAs InGaP异质结双极性晶体管(HBT) MMIC VCO。 该器件集成谐振器、负电阻器件、变容二极管,并具有4分频频率输出。 由于振荡器的单芯片结构,VCO的相位噪声性能在温度、冲击和工艺条件下尤为出色。 采用+5V电源电压时,输出功率为+17 dBm(典型值)。 不使用时可禁用预分频器功能,以降低功耗。 该压控振荡器采用无铅QFN 5x5 mm表贴封装,同时无需外部匹配元件。
应用
点对多点无线电
测试设备和工业控制
SATCOM
军用最终用途

