HMC733
集成缓冲放大器的宽带VCO SMT,10 - 20 GHz
制造商:ADI/AD
产品信息
优势和特点
宽调谐带宽
Pout: +3 dBm
低SSB相位噪声: -90 dBc/Hz(100 kHz)
无需外部谐振器
单正电源: +5V (70 mA)
24引脚4x4mm SMT封装: 16mm²
产品详情
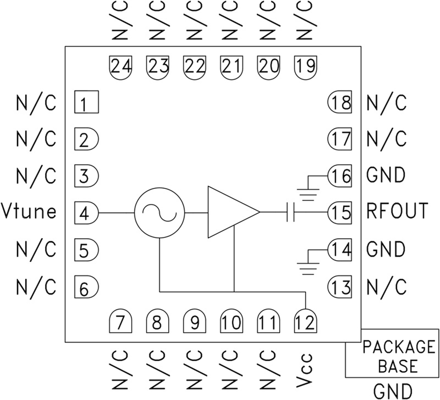
HMC733LC4B是一款宽带MMIC压控振荡器,集成谐振器、负电阻器件和变容二极管。 由于该振荡器采用单芯片结构,因此在温度范围内具有出色的输出功率和相位噪声性能。 Vtune端口支持0至+22V的模拟调谐电压。 HMC733LC4B VCO采用+5V单电源供电,功耗仅为70 mA,提供符合RoHS标准的SMT封装。 这款宽带VCO独一无二地集超小尺寸、低相位噪声、低功耗和宽调谐范围等特性于一体。
应用
工业/医疗设备
测试和测量设备
军用雷达、EW和ECM
电路图、引脚图和封装图
应用案例
高速利器:HMC674LC3C/HMC674LP3E 9.3 GHz 锁存比较器深度剖析
2026-01-06
9.3 GHz 锁存比较器 HMC674LC3C/HMC674LP3E:性能与应用全解析
2026-01-06
RK3588直播机NVR边缘计算工业工控安卓主板 音诺恒YNH-733
2024-04-15
基于HMC1022和HMC1021三轴磁阻传感器模块设计
2010-03-08
HMC-ALH140-DIE 低噪声放大器芯片,24 - 40 GHz 优势性能
2021-11-29
HMC5883L应用说明
2018-03-08
HMC773A通用型双平衡混频器
2022-11-08
HMC284AMS8GE非反射开关SMT介绍
2022-11-07

