HMC732
集成缓冲放大器SMT的宽带VCO SMT,6 - 12 GHz
制造商:ADI/AD
产品信息
优势和特点
宽调谐带宽
Pout: +1 dBm
低SSB相位噪声: -95 dBc/Hz(100 kHz)
无需外部谐振器
单正电源: +5V (57 mA)
24引脚4x4mm SMT封装: 16mm²
产品详情
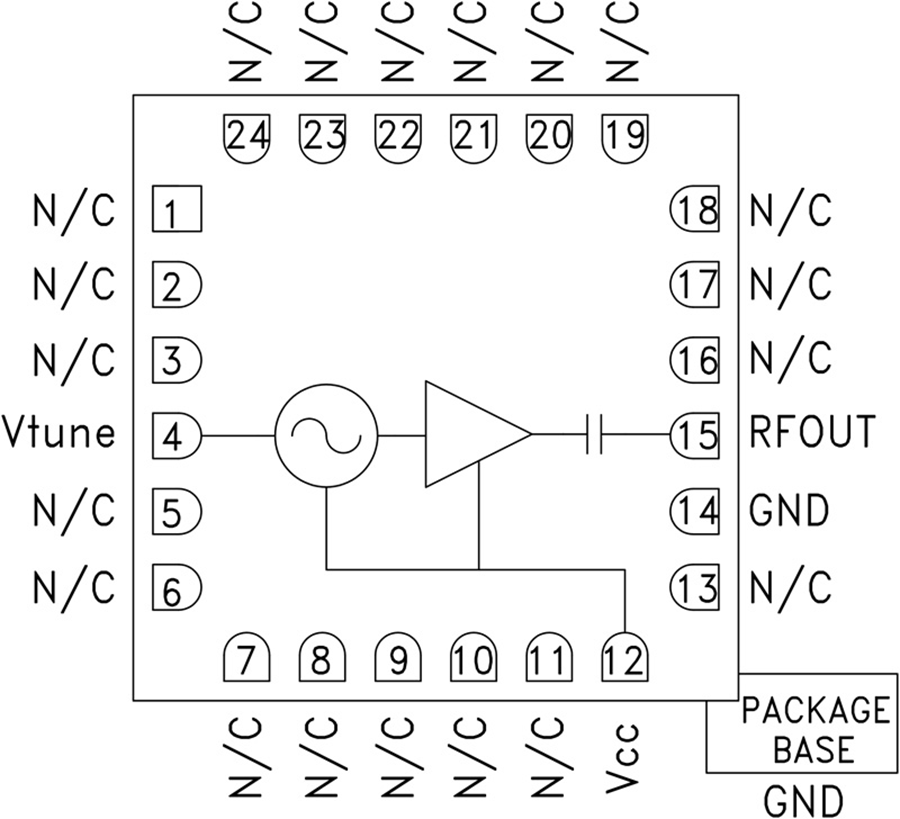
THMC732LC4B是一款宽带GaAs InGaP HBT MMIC压控振荡器,集成谐振器、负电阻器件和变容二极管。 由于该振荡器采用单芯片结构,因此在温度范围内具有出色的输出功率和相位噪声性能。 Vtune端口支持0至+23V的模拟调谐电压。 HMC732LC4B VCO采用+5V单电源供电,功耗仅为57 mA,提供符合RoHS标准的SMT封装。 这款宽带VCO独一无二地集超小尺寸、低相位噪声、低功耗和宽调谐范围等特性于一体。
应用
工业/医疗设备
测试和测量设备
军用雷达、EW和ECM

