HMC729
带复位功能的26 GHz T触发器
制造商:ADI/AD
产品信息
优势和特点
支持最高26 GHz的时钟频率
差分与单端操作
快速上升和下降时间: 18/17 ps
低功耗: 270 mW(典型值)
传播延迟: 95 ps
单电源: -3.3V
16引脚3x3mm SMT陶瓷封装: 9mm²
产品详情
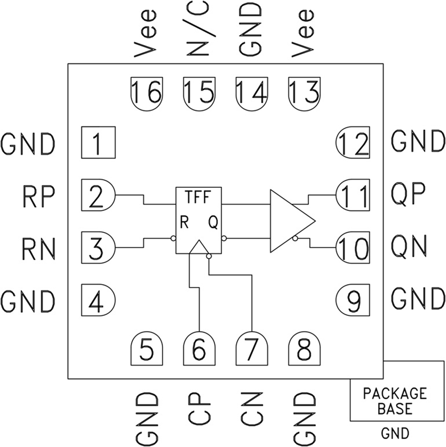
HMC729LC3C是一款集成复位功能的T触发器,设计支持高达26 GHz的时钟频率。 正常工作时,若复位引脚未置位,则输出将在时钟正边沿从之前的状态切换到其他状态。 这便实现对时钟输入的二分频。 无论时钟边沿状态如何,置位复位引脚可迫使Q输出进入低电平状态(异步复位置位)。 反转时钟输入便可支持负边沿触发应用。
输入HMC729LC3C的全部信号均以50 Ω端接至片上地,并支持交流或直流耦合。 输出可直接连到50 Ω端接系统,而如果采用50 Ω端接至非接地直流电压,则可以使用隔直电容。 HMC729LC3C采用-3.3V DC单电源供电,提供符合RoHS标准的3x3 mm SMT陶瓷封装。
应用
高达26 Gbps的串行数据传输速率
高速分频器(最高26 GHz)
宽带测试和测量
RF ATE应用

