HMC7282B
32 Gbps四通道光学调制器驱动器
制造商:ADI/AD
产品信息
优势和特点
工作速率最高达32 Gbps
功耗:4.5 W(6.5V输出电压)
加性RMS抖动:小于330 fs
集成GPPO接口的完全集成式紧凑型模块
密封模块
集成式温度传感器
模块尺寸: 40 x 25 x 6.5 mm
To request data sheet and for additional information, please contact RFMG-fo@analog.com
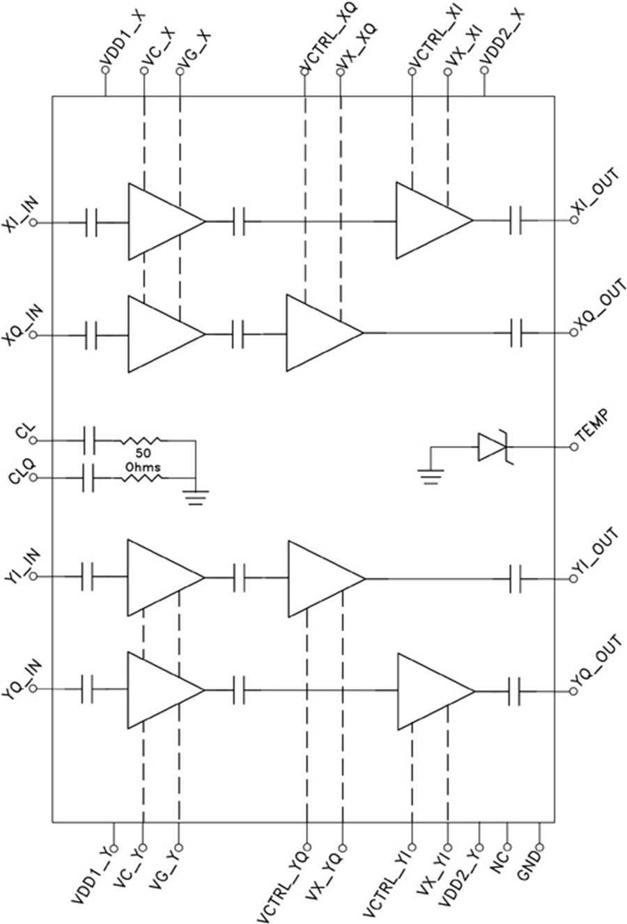
电路图、引脚图和封装图
在线购买
型号:HMC7282B
描述:-
应用案例
深入剖析HMC441LC3B:6 - 18 GHz高效GaAs pHEMT MMIC中功率放大器
2026-01-01
HMC221B GaAs、MMIC、SPDT开关,10kHz至3GHz技术手册
2025-03-06
21 - 29 GHz SMT GaAs PHEMT MMIC低噪声放大器HMC341LC3B详解
2025-12-31
HMC347B 0.1GHz~20GHz GaAs SPDT非反射交换芯片技术手册
2025-03-05
HMC587LC4B采用SMT封装的宽带VCO,带有缓冲放大器技术手册
2025-04-30
HMC586LC4B采用SMT封装的宽带VCO,带有缓冲放大器技术手册
2025-04-30
HMC742ALP5E数控VGA
2022-05-03
业界首款15Gb/s HMC接口的展示
2018-11-27

