HMC727
13 Gbps快速上升时间D型触发器
制造商:ADI/AD
产品信息
优势和特点
支持高数据速率: 最高13 Gbps
差分与单端操作
快速上升与下降时间: 19/17 ps
低功耗: 260 mW(典型值)
传播延迟: 105 ps
单电源: -3.3V
16引脚3x3mm SMT陶瓷封装: 9mm²
产品详情
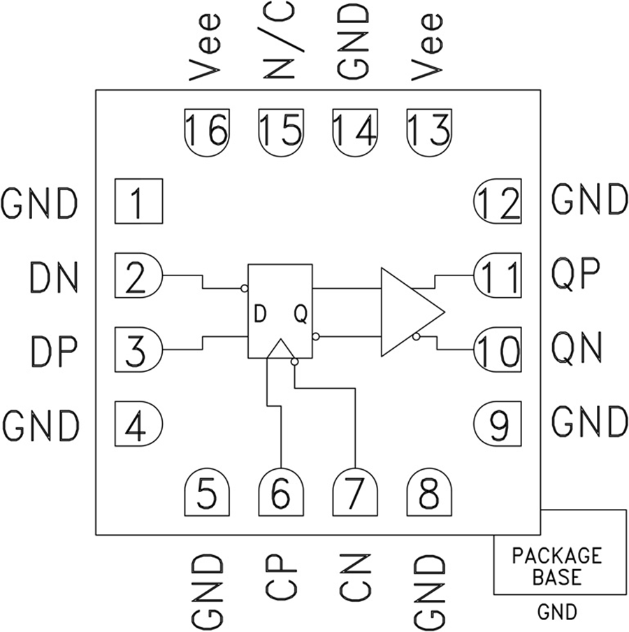
HMC727是一款D型触发器,设计支持高达13 Gbps的数据传输速率和高达13 GHz的时钟频率。 正常工作时,数据在时钟正边沿传输至输出端。 反转时钟输入便可支持负边沿触发应用。 输入HMC727的全部信号均通过50 Ω电阻端接至片上地,并支持交流或直流耦合。
HMC727的差分输出可以交流耦合,也可以直流耦合。 输出可直接连到50 Ω接地端接系统,而如果采用50 Ω端接至非接地直流电压,则可以使用隔直电容。 HMC727采用-3.3V DC单电源供电,提供符合RoHS标准的3x3 mm SMT陶瓷封装。
应用
RF ATE应用
宽带测试和测量
高达13 Gbps的串行数据传输速率
高达13 GHz的数字逻辑系统

