HMC726
13 Gbps快速上升时间AND/NAND/OR/NOR门
制造商:ADI/AD
产品信息
优势和特点
支持高达13 Gbps的高数据速率
差分与单端操作
快速上升与下降时间: 19/18 ps
低功耗: 230 mW(典型值)
传播延迟: 95 ps
单电源: -3.3V
16引脚3x3mm SMT陶瓷封装: 9mm²
产品详情
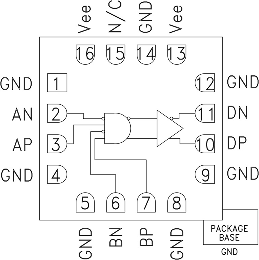
HMC726是一款AND/NAND/OR/NOR门,设计支持高达13 Gbps的数据传输速率和高达13 GHz的时钟频率。 HMC726可轻松配置为提供下列任一种逻辑功能: AND、NAND、OR和NOR。 输入HMC726的全部信号均通过50 Ω电阻端接至片上地,并支持交流或直流耦合。
HMC726的差分输出可以交流耦合,也可以直流耦合。 输出可直接连到50 Ω接地端接系统,而如果采用50 Ω端接至非接地直流电压,则可以使用隔直电容。 HMC726采用-3.3V DC单电源供电,功耗仅为230 mW,提供符合RoHS标准的3x3 mm SMT陶瓷封装。
应用
RF ATE应用
宽带测试和测量
高达13 Gbps的串行数据传输速率
高达13 GHz的数字逻辑系统
电路图、引脚图和封装图
应用案例
HMC742ALP5E数控VGA
2022-05-03
探索 HMC652LP2E - HMC655LP2E 宽带固定衰减器家族
2026-03-05
高速利器:HMC674LC3C/HMC674LP3E 9.3 GHz 锁存比较器深度剖析
2026-01-06
Fluke福禄克726过程校验仪无法开机深度维修案例
2025-05-10
HMC544AETR低成本SPDT交换机应用介绍
2023-05-31
Fluke 726高精度多功能过程校验仪的性能特点及功能分析
2020-11-13
仪表总线(M-BUS)从站收发电路MS726,应用于水表、气表、热表
2023-05-09
先积重磅推出 ▏车规级高精度运放LTC726Q/LTC728Q
2023-04-28

