HMC723LP3E
具有可编程输出电压的13 Gbps快速上升时间D型触发器
制造商:ADI/AD
产品信息
优势和特点
支持高数据速率: 高达13 Gbps
差分和单端操作
快速上升和下降时间: 19 / 17 ps
低功耗: 260 mW(典型值)
可编程差分输出电压摆幅: 700 - 1300 mV
传播延迟: 105 ps
单电源: -3.3V
16引脚3x3mm SMT封装: 9mm²
产品详情
HMC723LP3E是一款D型触发器,旨在支持最高13 Gbps的数据传输速率和高达13 GHz的时钟频率。 在正常工作过程中,数据传输到正时钟边沿上的输出端。 反转时钟输入便可实现负边沿触发应用。 HMC723LP3E还具有输出电平控制引脚VR,可用于损耗补偿或信号电平优化。
HMC723LP3E的所有输入信号都通过50 Ω电阻片上端接到地,并支持直流或交流耦合。 HMC723LP3E的差分输出可以为直流或交流耦合。 输出可以直接连接到50 Ω接地端接系统,如果采用50 Ω端接至非接地直流电压,则可以使用隔直电容。 HMC723LP3E采用-3.3V DC单电源供电,采用符合RoHS标准的3x3 mm SMT封装。
应用
RF ATE应用
宽带测试和测量
串行数据传输高达13 Gbps
数字逻辑系统高达13 GHz
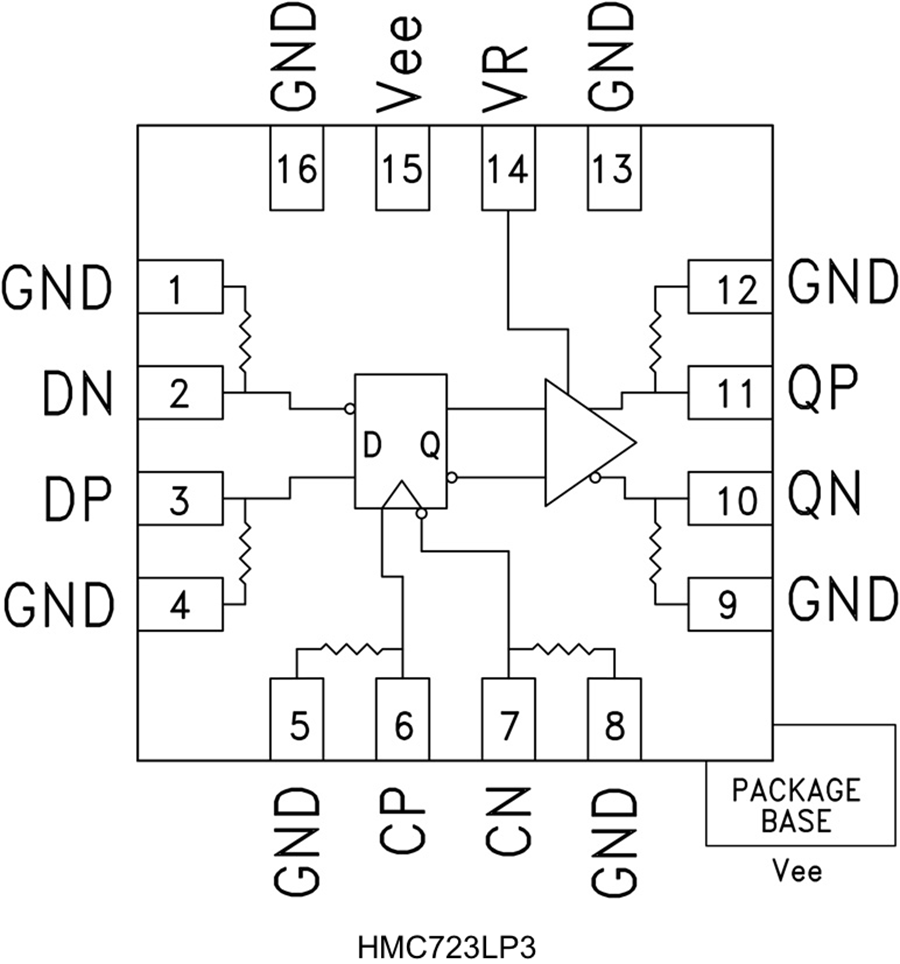
电路图、引脚图和封装图
应用案例
HMC631LP3/631LP3E HBT矢量调制器,采用SMT封装技术手册
2025-04-09
HMC630LP3/630LP3E HBT矢量调制器,采用SMT封装技术手册
2025-04-09
HMC500LP3/500LP3E HBT矢量调制器,采用SMT封装技术手册
2025-04-09
HMC903LP3E GaAs、pHEMT、MMIC、低噪声放大器技术手册
2025-03-21
HMC902LP3E低噪声放大器,采用SMT封装技术手册
2025-03-21
HMC981LP3E有源偏置控制器SMT
2023-02-03
HMC506LP4ETR集成缓冲放大器
2023-06-27
HMC566LP4E低噪声放大器,采用SMT封装,28-36GHz技术手册
2025-03-20

