HMC723LC3C
具有可编程输出电压的13 Gbps快速上升时间D型触发器
制造商:ADI/AD
产品信息
优势和特点
支持高数据速率: 高达13 Gbps
差分和单端操作
快速上升和下降时间: 19 / 17 ps
低功耗: 260 mW(典型值)
可编程差分输出电压摆幅: 700 - 1300 mV
传播延迟: 105 ps
单电源: -3.3V
16引脚陶瓷3x3mmSMT封装: 9mm²
产品详情
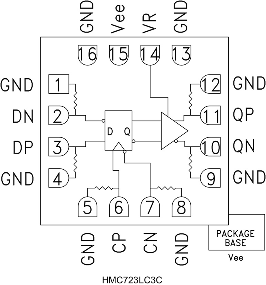
HMC723LC3C是一款D型触发器,旨在支持最高13 Gbps的数据传输速率和高达13 GHz的时钟频率。 在正常工作过程中,数据传输到正时钟边沿上的输出端。 反转时钟输入便可实现负边沿触发应用。 HMC723LC3C还具有输出电平控制引脚VR,可用于损耗补偿或信号电平优化。
HMC723LC3C的所有输入信号都通过50 Ω电阻片上端接到地,并支持直流或交流耦合。 HMC723LC3C的差分输出可以为直流或交流耦合。 输出可以直接连接到50 Ω接地端接系统,如果采用50 Ω端接至非接地直流电压,则可以使用隔直电容。 HMC723LC3C采用-3.3V DC单电源供电,采用符合RoHS标准的3x3 mm SMT陶瓷封装。
应用
RF ATE应用
宽带测试和测量
串行数据传输高达13 Gbps
数字逻辑系统高达13 GHz
电路图、引脚图和封装图
应用案例
新思科技发布蓝牙LE Audio LC3编解码器
2020-01-18
HMC442LC3B:17.5 - 25.5 GHz GaAs PHEMT MMIC 中功率放大器的卓越之选
2026-03-06
HMC865LC3 32 Gbps限幅放大器,采用SMT封装技术手册
2025-05-12
探索HMC442LC3B:17.5 - 25.5 GHz高效功率放大器
2026-01-01
探索HMC451LC3:5 - 20 GHz GaAs PHEMT MMIC中功率放大器
2026-01-01
HMC342LC4低噪声放大器介绍
2023-04-19
深入剖析HMC441LC3B:6 - 18 GHz高效GaAs pHEMT MMIC中功率放大器
2026-01-01
SOD-723封装 ESD二极管
2021-12-25

