HMC722LP3E
具有可编程输出电压的13 Gbps、快速上升时间AND/NAND/OR/NOR栅极
制造商:ADI/AD
产品信息
优势和特点
支持高数据速率: 高达13 Gbps
差分和单端操作
传播延迟: 95 ps
快速上升/下降时间: 19 / 18 ps
可编程差分输出电压摆幅: 600 - 1100 mV
低功耗: 230 mW(典型值)
单电源: -3.3V
16引脚3x3mm SMT封装: 9mm²
产品详情
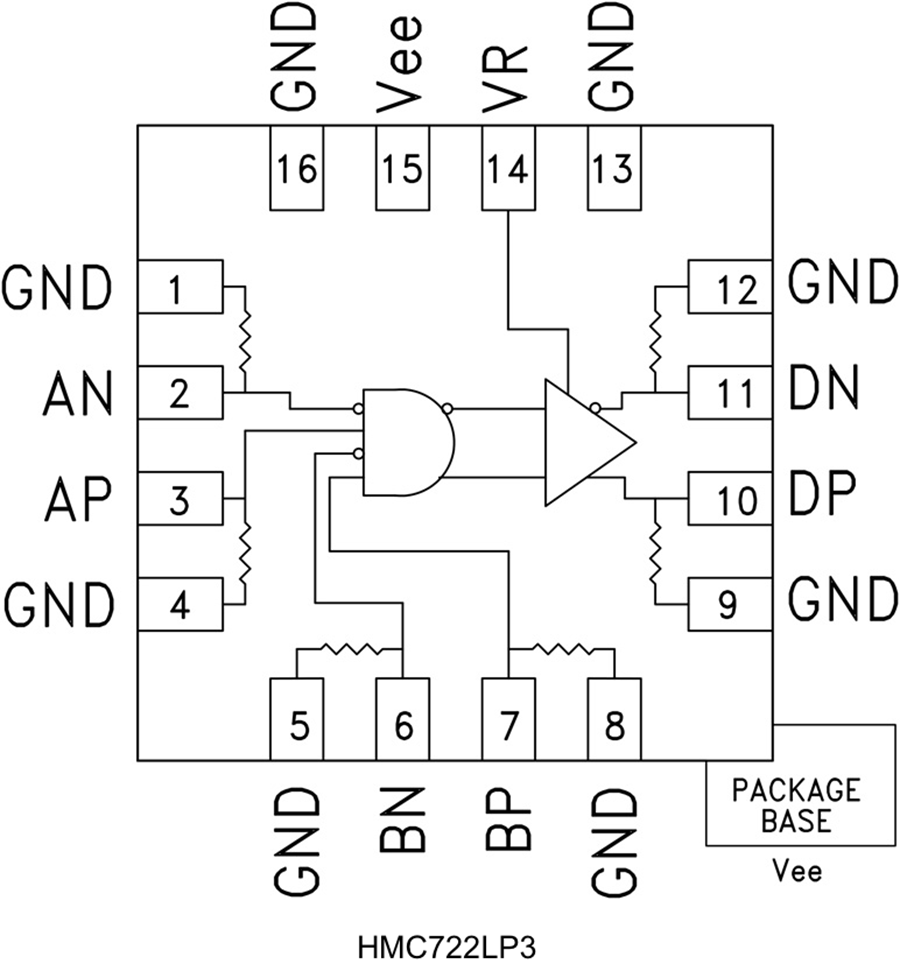
HMC722LP3E是一个AND/NAND/OR/NOR功能,旨在支持最高13 Gbps的数据传输速率和高达13 GHz的时钟频率。 HMC772LP3E可轻松配置为提供以下任何逻辑功能: AND、NAND、OR或NOR。 HMC722LP3E还具有输出电平控制引脚VR,可用于损耗补偿或信号电平优化。
HMC722LP3E的所有输入信号都通过50 Ω电阻片上端接到地,并支持直流或交流耦合。 HMC722LP3E的差分输出可以为直流或交流耦合。 输出可以直接连接到50 Ω接地端接系统,如果采用50 Ω端接至非接地直流电压,则可以使用隔直电容。 HMC722LP3E采用-3.3V DC单电源供电,采用符合RoHS标准的3x3 mm SMT封装。
应用
RF ATE应用
宽带测试和测量
串行数据传输高达13 Gbps
数字逻辑系统高达13 GHz
NRZ-RZ转换
电路图、引脚图和封装图
应用案例
四款MMIC低噪声放大器的特点及适用范围
2020-11-25
HMC981LP3E有源偏置控制器技术手册
2025-03-21
HMC903LP3E GaAs、pHEMT、MMIC、低噪声放大器技术手册
2025-03-21
HMC902LP3E低噪声放大器,采用SMT封装技术手册
2025-03-21
HMC566LP4E低噪声放大器,采用SMT封装,28-36GHz技术手册
2025-03-20
探索 HMC652LP2E - HMC655LP2E 宽带固定衰减器家族
2026-03-05
HMC675LP3E:10 GHz 高速锁存比较器的卓越性能与应用
2026-01-06
9.3 GHz 锁存比较器 HMC674LC3C/HMC674LP3E:性能与应用全解析
2026-01-06

