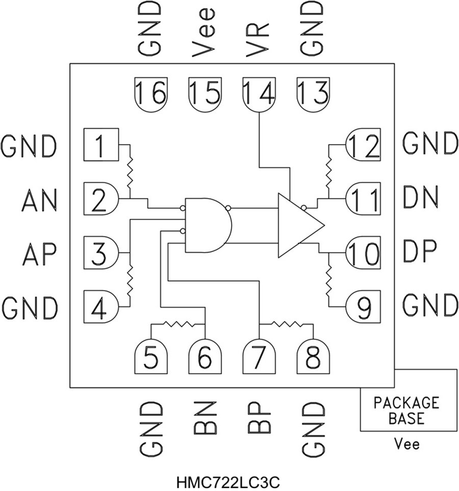
HMC722LC3C
具有可编程输出电压的13 Gbps、快速上升时间AND/NAND/OR/NOR栅极
制造商:ADI/AD
产品信息
优势和特点
支持高数据速率: 高达13 Gbps
差分和单端输出
快速上升和下降时间: 19 / 18 ps
低功耗: 230 mW(典型值)
可编程差分输出电压摆幅: 600 - 1100 mV
传播延迟: 95 ps
单电源: -3.3V
16引脚陶瓷3x3mm SMT封装: 9mm²
产品详情
HMC722LC3C是一个AND/NAND/OR/NOR功能,旨在支持最高13 Gbps的数据传输速率和高达13 GHz的时钟频率。 HMC772LC3C可轻松配置为提供以下任何逻辑功能: AND、NAND、OR或NOR。 HMC722LC3C还具有输出电平控制引脚VR,可用于损耗补偿或信号电平优化。
HMC722LC3C的所有输入信号都通过50 Ω电阻片上端接到地,并支持直流或交流耦合。 HMC722LC3C的差分输出可以为直流或交流耦合。 输出可以直接连接到50 Ω接地端接系统,如果采用50 Ω端接至非接地直流电压,则可以使用隔直电容。 HMC722LC3C采用-3.3V DC单电源供电,采用符合RoHS标准的3x3 mm SMT陶瓷封装。
应用
RF ATE应用
宽带测试和测量
串行数据传输高达13 Gbps
数字逻辑系统高达13 GHz
NRZ-RZ转换

