HMC721LP3E
具有可编程输出电压的13 Gbps快速上升时间XOR/XNOR栅极
制造商:ADI/AD
产品信息
优势和特点
输入内部端接50Ω电阻
差分和单端操作
传播延迟: 95 ps
快速上升/下降时间: 19 / 18 ps
可编程差分输出电压摆幅: 600 - 1200 mV
低功耗: 230 mW(典型值)
单电源: -3.3V
16引脚3x3mm SMT封装: 9mm²
产品详情
HMC721LP3E是一个XOR/XNOR栅极功能,旨在支持最高13 Gbps的数据传输速率和高达13 GHz的时钟频率。 HMC721LP3E还具有输出电平控制引脚VR,可用于损耗补偿或信号电平优化。
HMC721LP3E的所有输入信号都通过50 Ω电阻片上端接到地,并支持直流或交流耦合。 HMC721LP3E的差分输出可以为直流或交流耦合。 输出可以直接连接到50 Ω接地端接系统,如果采用50 Ω端接至非接地直流电压,则可以使用隔直电容。 HMC721LP3E采用-3.3V DC单电源供电,采用符合RoHS标准的3x3 mm SMT封装。
应用
RF ATE应用
宽带测试和测量
串行数据传输高达13 Gbps
数字逻辑系统高达13 GHz
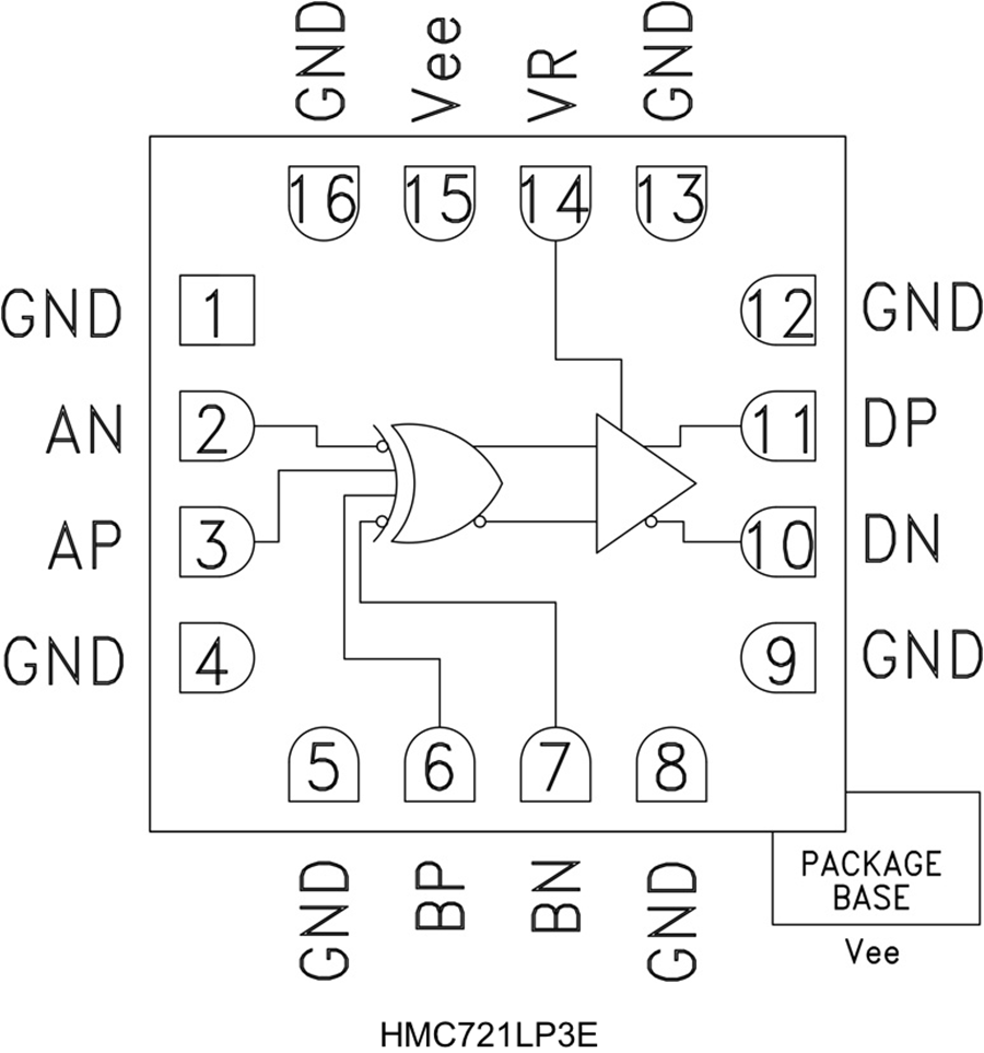
电路图、引脚图和封装图
应用案例
Hittite推出具有54dB动态量程的毫米波对数检波器
2009-06-25
基于HMC1022和HMC1021三轴磁阻传感器模块设计
2009-06-25
探索 HMC652LP2E - HMC655LP2E 宽带固定衰减器家族
2026-03-05
探索HMC656LP2E - HMC658LP2E宽频固定衰减器家族
2026-03-04
推荐一款集成电压控制振荡器HMC765LP6CE
2023-01-12
HMC713LP3E对数检波器/控制器的特点及应用范围
2022-10-28
HMC561LP3有源倍频器介绍
2022-09-15
符合RoHS标准无引脚SMT封装的HMC942LP4E
2022-09-15

