HMC721LC3C
具有可编程输出电压的13 Gbps快速上升时间XOR/XNOR栅极
制造商:ADI/AD
产品信息
优势和特点
输入内部端接50Ω电阻
差分和单端操作
快速上升/下降时间: 19 / 18 ps
低功耗: 230 mW(典型值)
可编程差分输出
电压摆幅: 600 - 1200 mV
传播延迟: 95 ps
单电源: -3.3V
16引脚陶瓷3x3mmSMT封装: 9mm
产品详情
HMC721LC3C是一个XOR/XNOR栅极功能,旨在支持最高13 Gbps的数据传输速率和高达13 GHz的时钟频率。 HMC721LC3C还具有输出电平控制引脚VR,可用于损耗补偿或信号电平优化。
HMC721LC3C的所有输入信号都通过50 Ω电阻片上端接到地,并支持直流或交流耦合。 HMC721LC3C的差分输出可以为直流或交流耦合。 输出可以直接连接到50 Ω接地端接系统,如果采用50 Ω端接至非接地直流电压,则可以使用隔直电容。 HMC721LC3C采用-3.3V DC单电源供电,采用符合RoHS标准的3x3 mm SMT陶瓷封装。
应用
RF ATE应用
宽带测试和测量
串行数据传输高达13 Gbps
数字逻辑系统高达13 GHz
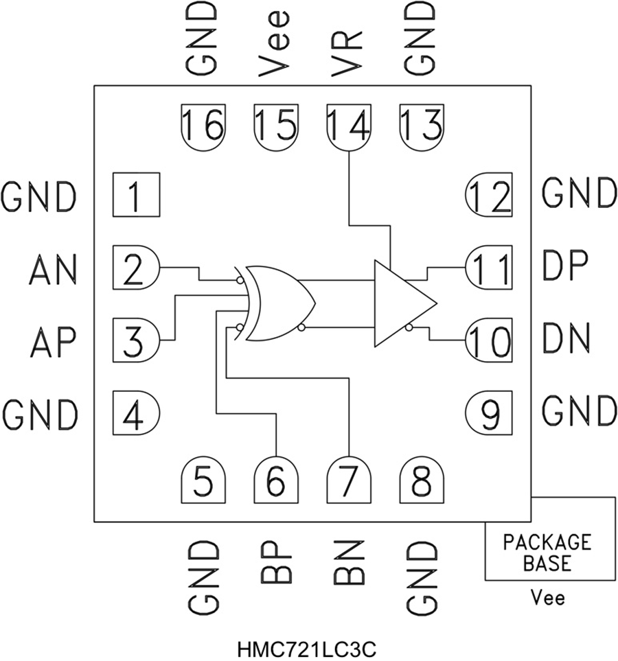
电路图、引脚图和封装图
应用案例
24 - 34 GHz GaAs MMIC 次谐波 SMT 混频器 HMC338LC3B 深度解析
2026-02-09
新思科技发布蓝牙LE Audio LC3编解码器
2020-01-18
高速10 GHz窗口比较器HMC974LC3C:特性、应用与设计要点
2026-01-06
高速比较器HMC874LC3C:特性、应用与设计要点
2026-01-06
高速利器:HMC674LC3C/HMC674LP3E 9.3 GHz 锁存比较器深度剖析
2026-01-06
CEVA通用音频框架和LC3编解码器通过蓝牙技术联盟认证
2022-01-20
10 GHz 锁存比较器 HMC675LC3C:高速应用的理想之选
2026-01-06
9.3 GHz 锁存比较器 HMC674LC3C/HMC674LP3E:性能与应用全解析
2026-01-06

