HMC720
13 Gbps快速上升时间1:2扇出缓冲器,提供可编程输出电压
制造商:ADI/AD
产品信息
优势和特点
输入通过50 Ω电阻内部端接
差分输出为直流耦合
传播延迟: 120 ps
快速上升和下降时间: 19/18 ps
可编程差分输出电压摆幅: 600 - 1,100 mV
功耗: 300 mW
16引脚3x3mm SMT封装: 9mm²
产品详情
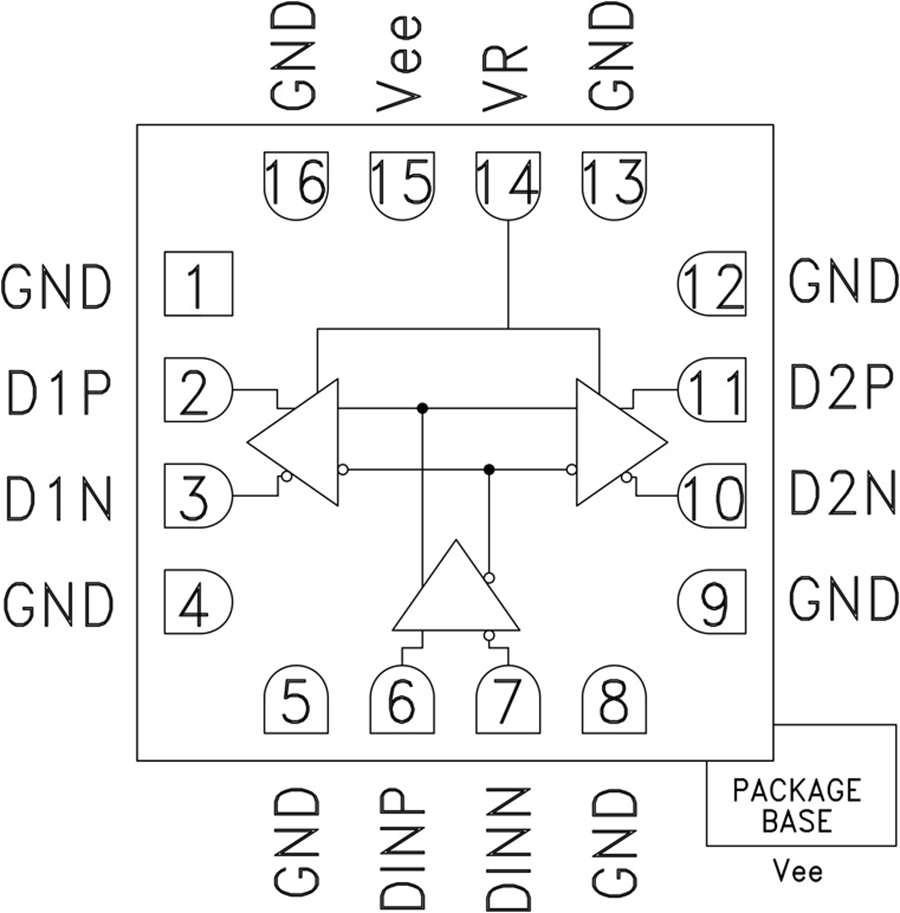
HMC720是一款1:2扇出缓冲器,设计支持高达13 Gbps的数据传输速率和高达13 GHz的时钟频率。 所有差分输入和输出均为直流耦合,并在片内通过50 Ω电阻端接至地。 输出支持单端或差分模式,并应交流或直流耦合到接地的50 Ω电阻。
HMC720还提供输出电平控制引脚VR,可用于损耗补偿,也可用于信号电平优化。 HMC720采用-3.3V DC单电源供电,提供符合RoHS标准的3x3 mm SMT封装。
应用
RF ATE应用
宽带测试和测量
高达13 Gbps的串行数据传输速率
高达13 GHz的时钟缓冲速率
电路图、引脚图和封装图
应用案例
华为智选 720智能空气净化器3s,满足多种空气净化需求
2022-12-27
hmc5883l三轴电子罗盘传感器连接arduino
2018-03-08
Han® ES Press HMC连接器能够无需工具即可进行快速安装
2018-12-06
基于HMC792LP4E的DC-6GHz数字衰减设计方案
2010-04-13
HMC1512带温度补偿的位置检测电路
2011-12-17
磁阻传感器HMC102在车辆检测中的应用
2011-12-20
Genio 720与Genio 520安卓核心板_AI的高效能核心板
2025-10-30
华为HiLink 720全效空气净化器C400评测 一台小而强大的全效空气净化器
2019-12-17

