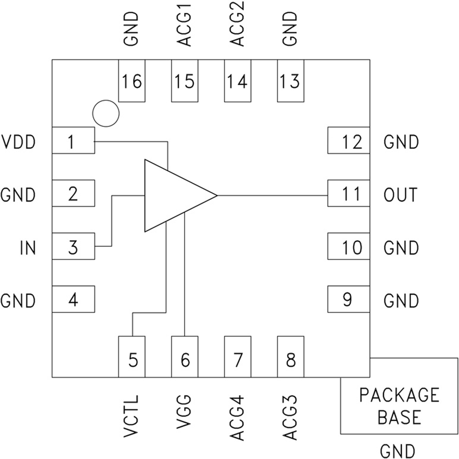
HMC7150
28 Gbps EML驱动器
制造商:ADI/AD
产品信息
优势和特点
工作速率最高达28.3 Gbps
低直流功耗:0.12W(1.5Vpp摆幅,3.3V电源);0.50W(2.3Vpp摆幅,6V电源)
可调输出幅度:1.2Vpp至2.3Vp
16引脚3x3mm SMT封装: 9 mm2
To request data sheet and for additional information, please contact RFMG-fo@analog.com

元器件型号、描述、参数
28 Gbps EML驱动器
制造商:ADI/AD
优势和特点
工作速率最高达28.3 Gbps
低直流功耗:0.12W(1.5Vpp摆幅,3.3V电源);0.50W(2.3Vpp摆幅,6V电源)
可调输出幅度:1.2Vpp至2.3Vp
16引脚3x3mm SMT封装: 9 mm2
To request data sheet and for additional information, please contact RFMG-fo@analog.com