HMC713LP3E
54 dB对数检波器/控制器,采用SMT封装,50 - 8000 MHz
制造商:ADI/AD
产品信息
优势和特点
宽动态范围: 高达54 dB
高精度: ±1 dB (54 dB)范围高达2.7 GHz
快速输出响应时间
电源电压: +2.7至+5.5V
省电模式
出色的温度稳定性
16引脚3x3 mm SMT封装: 9mm²
产品详情
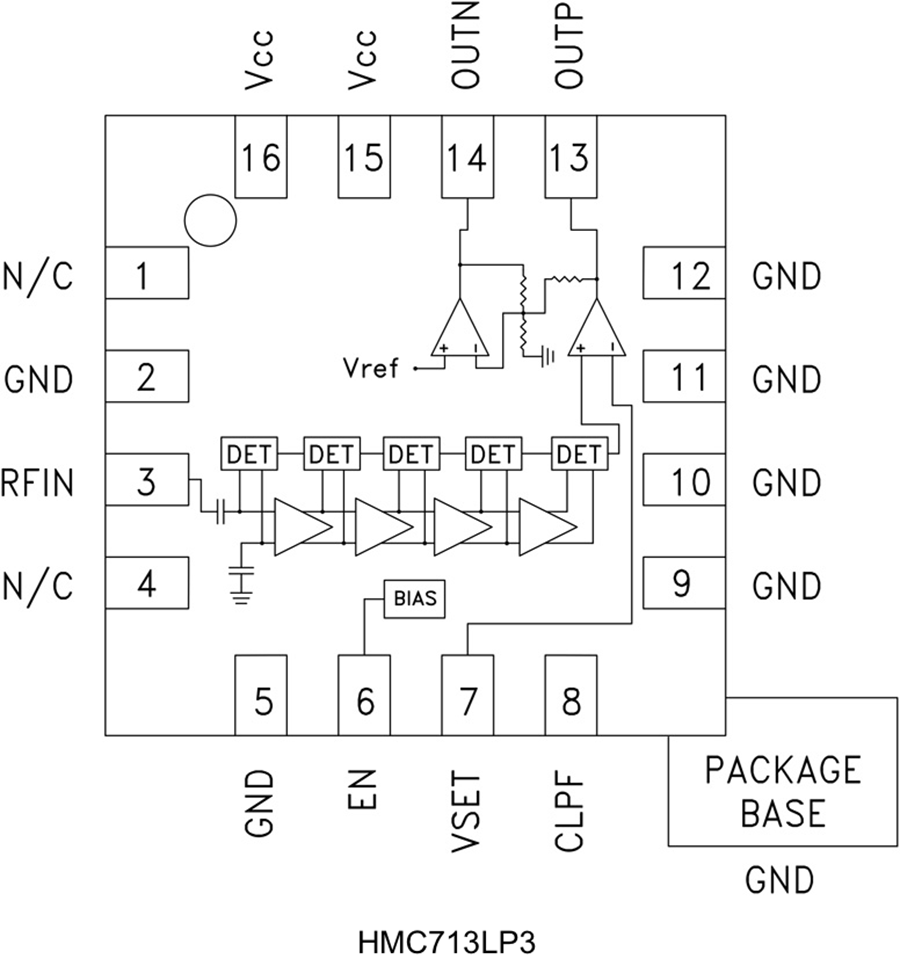
HMC713LP3E对数检波器/控制器非常适合将RF信号(50 MHz至8000 MHz频率范围内)的功率在输出端转换为与输入功率成正比的直流电压。 HMC713LP3E采用连续压缩技术,可在宽输入频率范围内提供具有高测量精度的54 dB动态范围。 随着输入信号增加,连续放大器逐渐进入饱和,从而生成精确的对数函数近似值。 一系列检波器输出求和、转换成电压域并缓冲驱动OUTP输出。
在检测模式下,OUTP引脚连接到VSET输入,提供17 mV/dB标称对数斜率和-68 dBm截距。 HMC713LP3E也可以在控制器模式下使用,在该模式下向VSET引脚施加外部电压以实现AGC或APC反馈环路。
应用
蜂窝基础设施
WiMAX, WiBro和amp; LTE/4G
电源监控和控制电路
接收机信号强度指示(RSSI)
蜂窝基础设施
自动增益和功率控制
军事、ECM和雷达
电路图、引脚图和封装图
应用案例
HMC713LP3E对数检波器/控制器的特点及应用范围
2022-10-28
HMC902LP3E低噪声放大器介绍
2022-10-14
HMC675LP3E:10 GHz 高速锁存比较器的卓越性能与应用
2026-01-06
9.3 GHz 锁存比较器 HMC674LC3C/HMC674LP3E:性能与应用全解析
2026-01-06
HMC981LP3E有源偏置控制器:特性、应用与设计要点
2026-01-05
探索 HMC652LP2E - HMC655LP2E 宽带固定衰减器家族
2026-03-05
探索HMC656LP2E - HMC658LP2E宽频固定衰减器家族
2026-03-04
HMC981LP3E有源偏置控制器技术手册
2025-03-21

