HMC705
6.5 GHz可编程分频器(N = 1至17)SMT
制造商:ADI/AD
产品信息
优势和特点
超低SSB相位噪声: -153 dBc/Hz(100 kHz,典型值)
可编程分频器(N= 1 - 17) 工作频率高达6.5 GHz
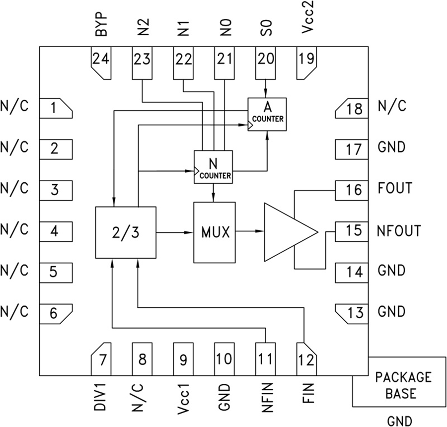
24引脚塑料4x4mmSMT封装: 16mm²
产品详情
HMC705LP4(E)是一款低噪声GaAs HBT可编程分频器,采用4x4 mm无引脚表贴封装。 该分频器可以通过编程设置为以N = 1到N = 17之间的任意数字进行分频(最高6.5 GHz)。 HMC705LP4E具有较高的工作频率并具有低相位噪底特性,非常适合高性能快速建立频率合成器架构。 HMC705LP4E可搭配Hittite鉴频鉴相器、VCO和PLL IC使用,从而实现低噪声、快速建立锁相环。
应用
卫星通信系统
点对点无线电
军事应用
Sonet时钟产生
测试设备

