HMC703
集成扫频器的8 GHz小数N分频PLL
制造商:ADI/AD
产品信息
优势和特点
宽带: DC - 8 GHz RF输入
业界领先的相位噪声与杂散性能: -112 dBc/Hz(8 GHz小数分频,50 kHz失调)
品质因数: -230 dBc/Hz小数分频 模式-233 dBc/Hz整数分频 模式
高PFD速率: 100 MHz
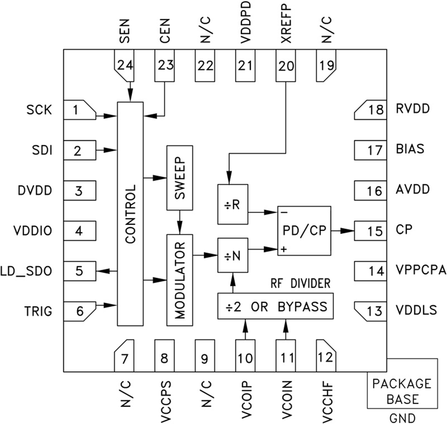
24引脚4 x 4 mm SMT 封装: 16 mm²
产品详情
HMC703小数分频频率合成器基于高性能PLL平台,HMC704和Hittite新一代PLL+VCO产品同样采用了该平台。 该平台具有业界最佳的相位噪声和杂散性能,不仅可实现更高阶调制方案,而且还可最大程度降低高性能中的无线电阻塞效应。
此外,HMC703还提供频率扫描和调制、外部触发、双缓冲、精确频率控制、相位调制等功能,同时保持与HMC700主要功能的引脚兼容性。
应用
微波点对点无线电
移动无线电基站(GSM, PCS, DCS, CDMA, WCDMA)
无线LAN、WiMax
通信测试设备
ATV设备
汽车传感器
AESA – 相控阵
FMCW雷达系统

