HMC700
8 GHz 16位小数N分频PLL
制造商:ADI/AD
产品信息
优势和特点
8 GHz、16位预分频器
小数或整数模式
24位步长分辨率,3 Hz典型值
超低相位噪声6 GHz、50 MHz基准电压源-103 / -108 dBc/Hz(20 kHz,小数/整数) 品质因数(FOM)-221/-227 dBc/Hz(小数/整数)
225 MHz、14位参考路径输入
直接FSK调制模式
防周跳
读/写串行端口,芯片ID
24引脚4x4mm SMT封装: 16mm²
产品详情
HMC700LP4(E)是一款SiGe BiCMOS小数N分频频率合成器。 该频率合成器内置极低噪声数字鉴频鉴相器(PFD)和精密控制电荷泵。
该小数分频频率合成器采用高级Σ-Δ调制器设计,支持超精细步长和极低杂散成分。 杂散输出极低,在很多应用中无需使用成本高昂的直接数字频率合成(DDS)参考源。
HMC700LP4(E)鉴频鉴相器(PFD)采用了防周跳(CSP)技术,具有更短的跳频时间。
另外,该器件具有超低带内相位噪声和低杂散性能,因而支持具有更宽环路带宽的架构,从而可以实现更快的跳频和低微音。 借助FSK模式,该频率合成器可用作简单的低成本直接FM发送器源。
应用
移动无线电基站
WiMAX
测试和测量
有线电视设备
相控阵应用
简单的FSK链路
替代DDS
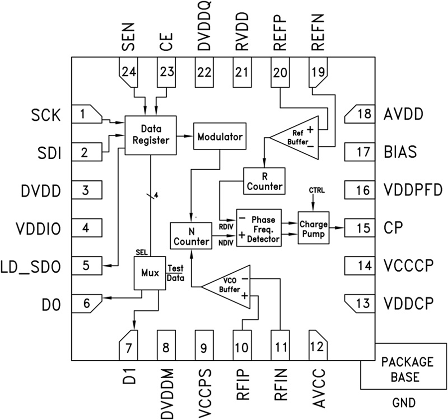
电路图、引脚图和封装图
应用案例
hmc5883l三轴电子罗盘传感器连接arduino
2018-03-08
Han® ES Press HMC连接器能够无需工具即可进行快速安装
2018-12-06
基于HMC792LP4E的DC-6GHz数字衰减设计方案
2010-04-13
HMC1512带温度补偿的位置检测电路
2011-12-17
磁阻传感器HMC102在车辆检测中的应用
2011-12-20
ADI推出高度集成Rx/Tx转换器HMC8100和HMC8200了解一下
2018-05-23
探索 HMC376LP3/HMC376LP3E:
2026-01-01
探索 HMC373LP3/LP3E:700 - 1000 MHz 低噪声放大器解决方案
2026-01-01

