HMC699
7 GHz整数N分频频率合成器SMT
制造商:ADI/AD
产品信息
优势和特点
超低SSB相位噪底: -153 dBc/Hz @ 10 kHz offset @ 100 MHz
参考频率。
可编程分频器(N= 16 - 516) 工作频率高达7 GHz
集电极开路输出缓冲放大器,可与基于运算放大器的环路滤波器接口
带锁定检测输出的极性可反转PFD
32引脚5x5mm SMT封装: 25mm
产品详情
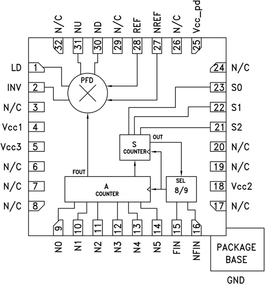
HMC699LP5(E)是一款频率合成器,集成宽带极性可反转数字PFD和锁定检测输出。 该分频器工作范围为160 - 7000 MHz,连续整数分频比N为56至519,非连续分频比N为16至54。由于高工作频率以及超低相位噪底性能,HMC699LP5(E)这款频率合成器具有宽环路带宽和低N特性,从而实现快速建立时间和极低相位噪声。 与差分环路滤波器结合使用时,HMC699LP5(E)可用来将VCO相位锁定至参考振荡器。 对于连续分频比而言,A计数器和S计数器必须满足下列条件: A + 1 ≥≥ S。
应用
卫星通信系统
点对点无线电
军事应用
Sonet时钟产生
电路图、引脚图和封装图
应用案例
HMC-ALH435 低噪声放大器芯片,5 - 20 GHz 产品性能浅谈
2021-12-16
ATS699是Allegro推出的一款双线、差分式速度和方向传感器IC
2020-12-09
小米: 699元, 骁龙801处理器, 够意思了吧!
2017-01-20
仅售699 媲美华为P9 这款小米4手机做工最精致
2017-01-09
红米4X:699最新高端黑,骁龙八核芯片,更有不俗的外在美!你还有什么不满意的?
2017-03-04
红米3评测 699的价格将手机配置做到这一程度确实不容易
2018-12-04
红米4X卖699,确实比很多1499元的手机来的值
2017-03-21
天猫精灵CC评测 699元价位搭配这样的硬件配置是非常具有诱惑的
2019-04-22

