HMC694LP4
模拟可变增益放大器,采用SMT封装,6 - 17 GHz
制造商:ADI/AD
产品信息
优势和特点
宽增益控制范围: 23 dB
单控制电压
输出IP3(最大增益): +30 dBm
输出P1dB: +22 dBm
无需外部匹配
24引脚4x4 mm SMT封装: 16 mm²
产品详情
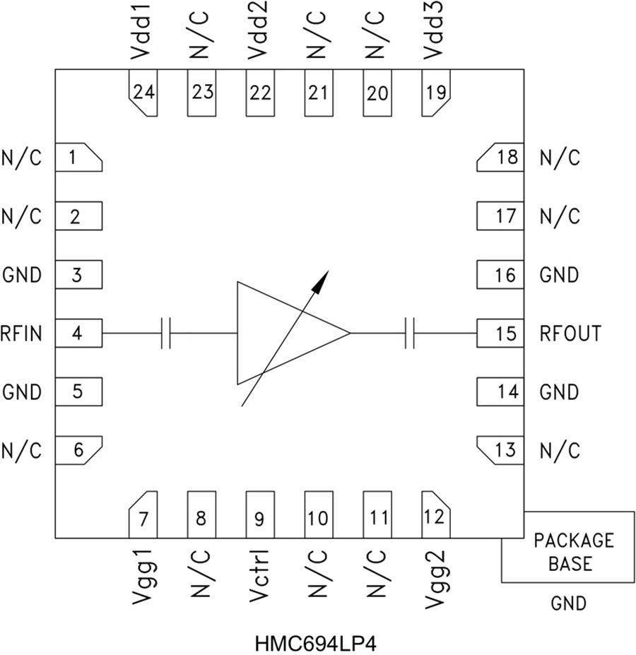
HMC694LP4E是一款GaAs MMIC PHEMT模拟可变增益放大器,工作频率范围为6至17 GHz。 该放大器非常适合微波无线电应用,提供高达22 dB增益、+22 dBm输出P1dB、+30 dBm输出IP3(最大增益时),同时在+5V电源下功耗仅为175 mA。 提供栅极偏置引脚(Vctrl)使可变增益控制高达23 dB。 HMC694LP4E提供出色的增益平坦度,非常适合EW、ECM和雷达应用。 HMC694LP4E采用符合RoHS标准的4x4 mm QFN无引脚封装,与高容量表贴制造技术兼容。
应用
点对点无线电
点对多点无线电
EW和ECM
X频段雷达
测试设备
电路图、引脚图和封装图
应用案例
HMC980LP4E高电流有源偏置控制器技术手册
2025-03-21
HMC566LP4E低噪声放大器,采用SMT封装,28-36GHz技术手册
2025-03-20
HMC263LP4E低噪声放大器,采用SMT封装,24-36GHz技术手册
2025-03-19
HMC263LP4E:24 - 36 GHz GaAs MMIC低噪声放大器的卓越之选
2025-12-31
HMC694LP4/694LP4E模拟可变增益放大器,采用SMT封装,6-17GHz技术手册
2025-04-21
HMC694模拟可变增益放大器芯片,6-17GHz技术手册
2025-04-21
HMC705LP4/HMC705LP4E 6.5GHz可编程分频器SMT技术手册
2025-04-18
HMC695LP4/HMC695LP4E x
2025-04-18

