HMC689
集成LO放大器的BiCMOS MMIC混频器,2.0 - 2.7 GHz
制造商:ADI/AD
产品信息
优势和特点
高输入IP3: +32 dBm
低转换损耗: 7.5 dB
低LO驱动: 0 dBm
针对高端LO输入优化
上变频和下变频应用
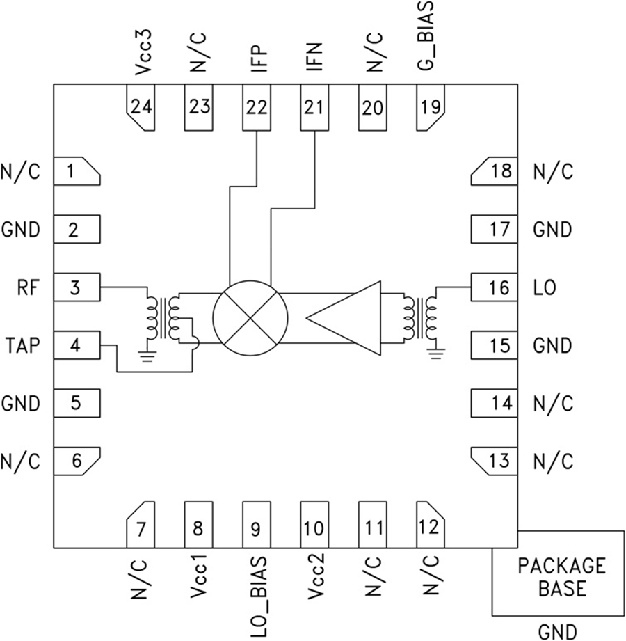
24引脚4x4mm SMT封装: 16mm²
产品详情
HMC689LP4(E)是一款高动态范围无源MMIC混频器,集成LO放大器,采用4x4 SMT QFN封装,工作频率为2.0 - 2.7 GHz。 LO驱动为0 dBm时,3G和4G GSM/CDMA应用可以获得+32 dBm的出色输入IP3下变频性能。 采用1 dB (+23 dBm)压缩时,RF端口支持各种输入信号电平。 转换损耗典型值为7.5 dB。 DC至800 MHz的IF频率响应能够满足GSM/CDMA发射或接收频率规划要求。 HMC689LP4(E)与HMC688LP4(E)引脚兼容,后者是一款2.0 - 2.7 MHz混频器,集成LO放大器且针对低端LO应用优化。
应用
蜂窝/3G和LTE/WiMAX/4G
基站和中继器
GSM, CDMA 和OFDM
发射机和接收机

