HMC686
BiCMOS Mixer w/Integrated LO Amplifier, 700 - 1500 MHz
制造商:ADI/AD
产品信息
优势和特点
High Input IP3: +34 dBm
7.5 dB Conversion Loss @ 0 dBm LO
Optimized to High Side LO Input for 0.7 - 1.1 GHz RF Band
Optimized to Low Side LO Input for 1.4 - 1.5 GHz RF Band
Adjustable Supply Current
24 Lead 4x4mm SMT Package: 16mm²
产品详情
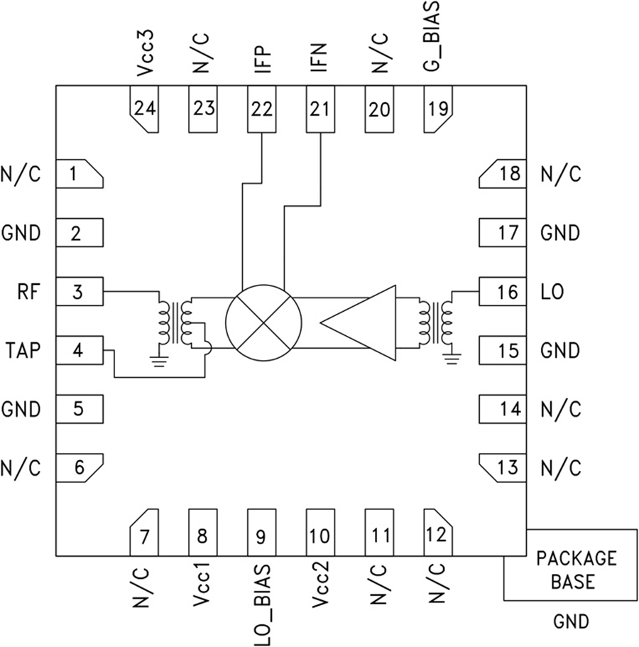
The HMC686LP4(E) is a high dynamic range passive MMIC mixer with integrated LO amplifier in a 4x4 SMT QFN package covering 0.7 to 1.1 GHz. Excellent input IP3 performance of +34 dBm for down conversion is provided for 3G & 4G GSM/CDMA applications at an LO drive of 0 dBm. With an input 1 dB compression of +25 dBm, the RF port will accept a wide range of input signal levels. Conversion loss is 7.5 dB typical. The DC to 500 MHz IF frequency response will satisfy GSM/CDMA transmit or receive frequency plans.
The HMC686LP4(E) is optimized to high side LO frequency plans for 0.7 - 1.1 GHz RF Band and is pin for pin compatible with the HMC684LP4(E) which is a 0.7 - 1.0 GHz converter optimized for low side LO. The HMC686LP4(E) is optimized to low side LO frequency plans for 1.4 - 1.5 GHz RF LTE band applications.
Applications
Cellular/3G & LTE/WiMAX/4G
Basestations & Repeaters
GSM, CDMA & OFDM
Transmitters and Receivers

