HMC684
集成LO放大器的BiCMOS混频器,700 - 1,000 MHz
制造商:ADI/AD
产品信息
优势和特点
高输入IP3: +32 dBm
低转换损耗: 7 dB
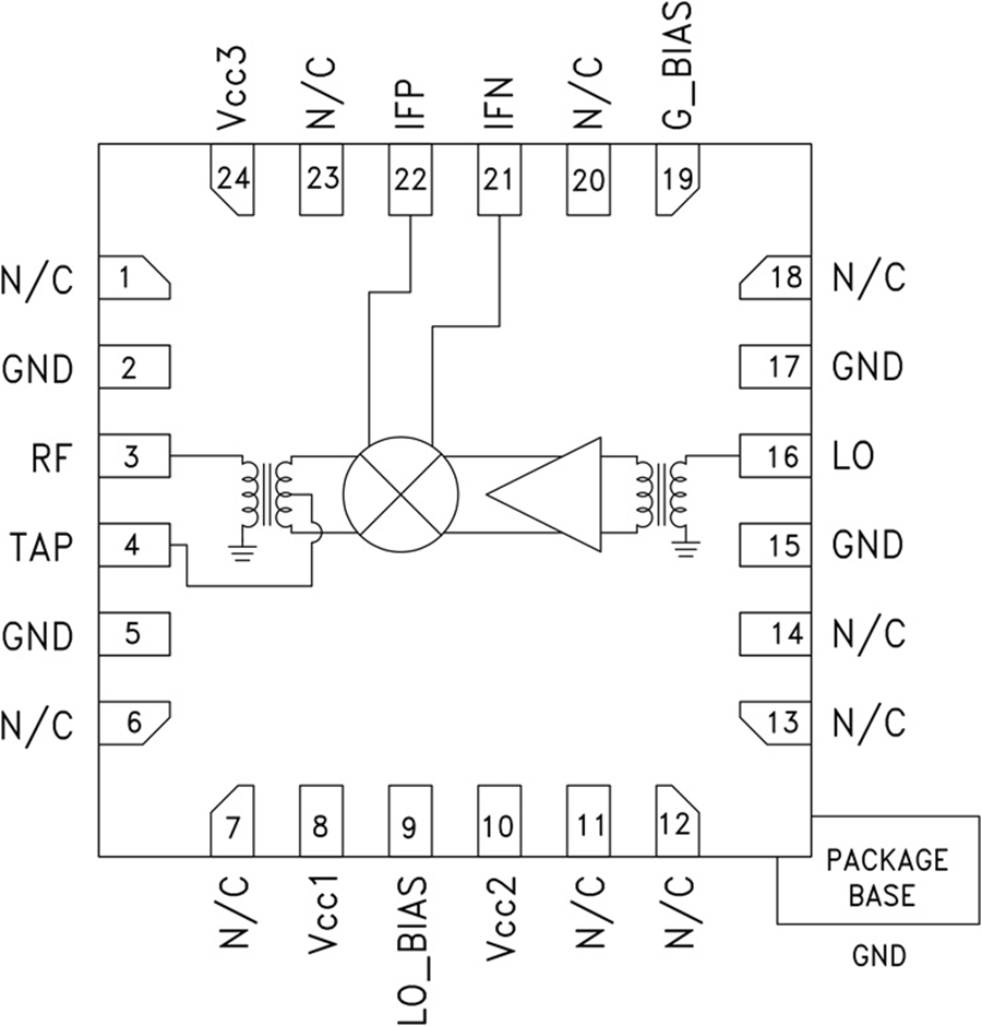
24引脚4x4mm SMT封装: 16mm²
低LO驱动: 0 dBm
上变频和下变频应用
产品详情
HMC684LP4(E)是一款高动态范围无源MMIC混频器,集成LO放大器,采用4x4 SMT QFN封装,工作频率为0.7 - 1.0 GHz。 LO驱动为0 dBm时,3G和4G GSM/CDMA应用可以获得+30 dBm的出色输入IP3下变频性能。 采用1 dB (+25 dBm)压缩时,RF端口支持各种输入信号电平。 转换损耗典型值为7 dB。 DC至450 MHz的IF频率响应能够满足GSM/CDMA发射或接收频率规划要求。 HMC684LP4(E)与HMC685LP4(E)引脚兼容,后者是一款集成LO放大器的1.7 - 2.2 GHz混频器。
应用
蜂窝/3G和LTE/WiMAX/4G
基站和中继器
GSM, CDMA 和 OFDM
发射机和接收机
电路图、引脚图和封装图
应用案例
TI IWR6843单片60- 64-GHzmmWave传感器解决方案
2020-03-09
高速利器:HMC674LC3C/HMC674LP3E 9.3 GHz 锁存比较器深度剖析
2026-01-06
金属化薄膜电容器474J/684J/105J的特点及用途
2020-06-05
9.3 GHz 锁存比较器 HMC674LC3C/HMC674LP3E:性能与应用全解析
2026-01-06
cbb22电容684j是什么意思
2023-03-20
HMC415LP3E功率放大器特性介绍
2023-06-27
cbb22电容684j是什么意思
2023-03-20
卓岚信息技术Wifi/以太网型8路IO控制模块ZLAN6844概述
2019-11-13

