HMC6832
低噪声、2:8差分、扇出缓冲器
制造商:ADI/AD
产品信息
优势和特点
超低噪底:−165.9 dBc/Hz或−165.2 dBc/Hz(LVPECL或LVDS,2000 MHz)
可配置为LVPECL或伪LVDS输出
2.5 V或3.3 V LVPECL工作电压(LVDS仅为2.5 V)
宽带:工作频率范围:10 MHz至3500 MHz
灵活的输入接口
LVPECL、LVDS、CML和CMOS兼容
交流或直流耦合
片上端接高阻抗50 kΩ分流电阻至VDD和GND
多个输出驱动器
多达8个差分或16个单端LVPECL或LVDS输出
通过IN_SEL和CONFIG引脚实现低速数字控制
28引脚、5 mm × 5 mm、LFCSP封装、25 mm2
产品详情
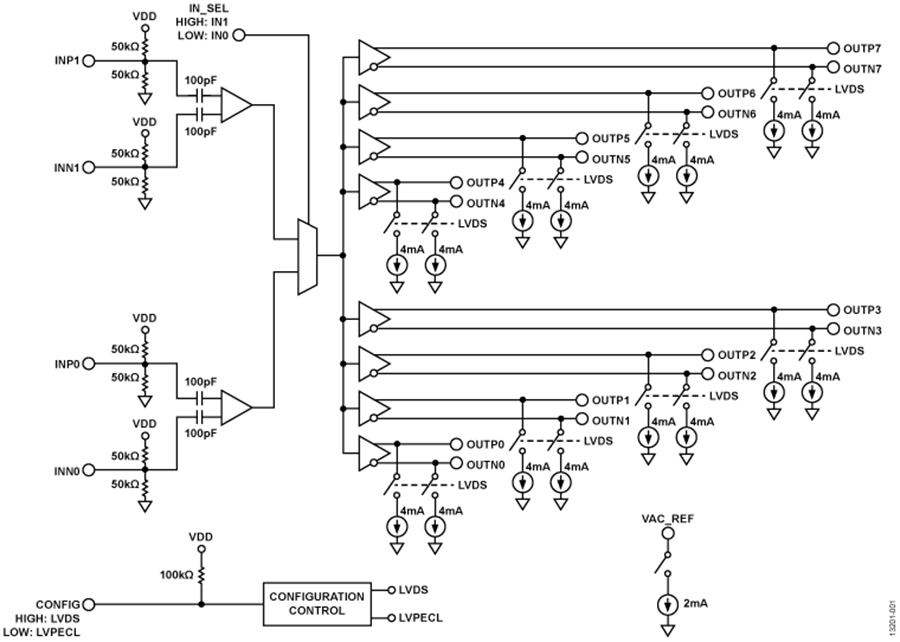
HMC6832是一款可选输入、2:8差分扇出缓冲器,针对低噪声时钟分发而设计。HMC6832利用低抖动输出实现下游电路的低噪声同步切换,如混频器、模数转换器(ADC)/数模转换器(DAC)、或串行器/解串器(SERDES)器件。该器件能够实现低压正发射极耦合逻辑(LVPECL)或低压差分信号(LVDS)配置,方法是针对LVPECL拉低CONFIG引脚,或者针对伪LVDS拉高或打开(内部拉高)该引脚。
产品聚焦
多种输出配置。CONFIG引脚允许用户选择LVPECL或LVDS输出端接
多个电源电压供电。HMC6832 LVPECL端接时采用2.5 V或3.3 V工作(LVDS时仅为2.5 V)。
低噪声。HMC6832具有−168 dBc/Hz至−162 dBc/Hz的低噪声(典型值,最高3000 MHz)。
低传播延迟。HMC6832显示了小于207 ps(典型值)的低延迟。它还具有±5 ps(典型值)的低通道偏斜。
低内核电流。HMC6832具有56 mA(典型值)的低内核电流。
应用
SONET、光纤通道、GigE时钟分发
ADC/DAC时钟分发
低偏斜和抖动时钟
无线/有线通信
电平转换
高性能仪器仪表
医疗成像
单端至差分转换


