HMC6787A
GaAs MMIC I/Q上变频器,37 - 40 GHz
制造商:ADI/AD
产品信息
优势和特点
转换增益: 10 dB
边带抑制: 17 dBc
高输出IP3: +27 dBm
16引脚5x5 mm SMT陶瓷封装: 25 mm²
产品详情
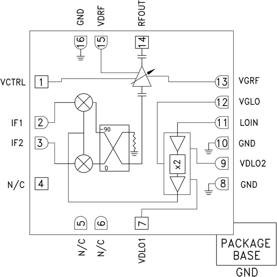
HMC6787ALC5A是一款紧凑型GaAs MMIC I/Q可变增益上变频器,采用无引脚RoHS兼容型SMT封装。 该器件提供11 dB小信号转换增益,具有17 dBc边带抑制和13 dB增益控制。 HMC6787ALC5A采用RF可变增益放大器,在其之前为一个I/Q混频器,LO由X2倍频器驱动。 提供IF1和IF2混频器输入,并且可通过外部90°混合选择所需边带。 I/Q混频器拓扑降低了针对干扰边带进行滤波的要求。 HMC6787ALC5A是一款更小巧、可以代替混合单边带上变频器的产品,支持表贴制造技术,无需线焊。
应用
点对点和点对多点无线电
军用雷达、EW与ELINT
卫星通信
传感器
电路图、引脚图和封装图
应用案例
基于HMC1022和HMC1021三轴磁阻传感器模块设计
2018-02-06
hmc5883l的特点及优点_HMC5883L磁力计校准方法
2018-03-08
基于HMC704LP4的一种X波段跳频源设计方案
2013-10-22
hmc5883l三轴电子罗盘传感器连接arduino
2018-03-08
HMC7748超高动态范围宽带PA模块的特点及应用
2019-06-06
Han® ES Press HMC连接器能够无需工具即可进行快速安装
2018-12-06
基于HMC792LP4E的DC-6GHz数字衰减设计方案
2010-04-13
探索HMC470A - EP:高性能数字步进衰减器的卓越之选
2026-02-09

