HMC631
HBT矢量调制器,采用SMT封装,1.8 - 2.7 GHz
制造商:ADI/AD
产品信息
优势和特点
连续相位控制:360°
连续增益控制:40 dB
输出噪底:-160 dBm/Hz
输入IP3:+35 dBm
16引脚3x3mmSMT封装:9mm²
产品详情
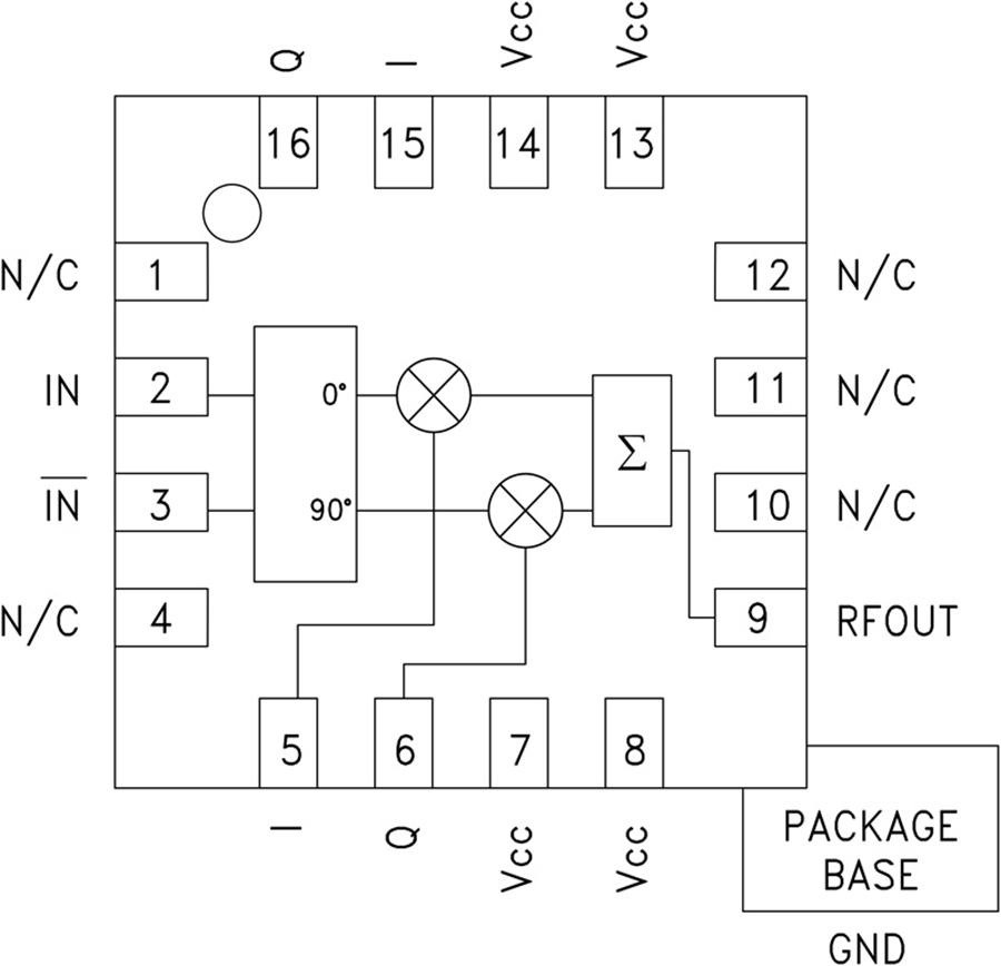
HMC631LP3和HMC631LP3E均为高动态范围矢量调制器RFIC,可用于RF预失真和前馈消除电路以及RF消除、波束成形和幅度/相位校正电路。 HMC631LP3(E)的I和Q端口可用来连续改变RF信号的相位和幅度,最多分别达到360°和40 dB,同时支持200 MHz的3 dB调制带宽。 输出IP3为+26 dBm,输出噪底为-160 dBm/Hz(最大增益设置),因此IP3/噪底比为186 dB。
应用
蜂窝/3G与WiMAX系统
无线基础设施HPA与MCPA纠错
预失真或前馈线性化
波束成形与调零电路

