HMC6187
可变增益放大器,采用SMT封装,27 - 31.5 GHz
制造商:ADI/AD
产品信息
优势和特点
宽增益控制范围:13 dB
单控制电压
输出IP3(最大增益):+31 dBm
输出P1dB:+24 dBm
无需外部匹配
24引脚4x4 mm SMT封装:16 mm²
产品详情
HMC6187LP4E是一款GaAs MMIC pHEMT模拟可变增益放大器和/或驱动器放大器,工作频率范围为27至31.5 GHz,适合用于微波无线电应用。 该放大器最高可提供19 dB增益、+24 dBm输出P1dB以及+31 dBm输出IP3(最高增益),采用+5V电源供电时功耗为230 mA。 提供增益控制电压(Vctrl),可实现高达13 dB的可变增益控制。 HMC6187LP4E具有出色的增益平坦度,适合EW、ECM和雷达应用。 HMC6187LP4E采用RoHS兼容型4 x 4 mm塑料QFN无引脚封装,可进行大规模表贴制造。
应用
点对点无线电
点对多点无线电
EW与ECM子系统
Ka频段雷达与VSAT
测试设备
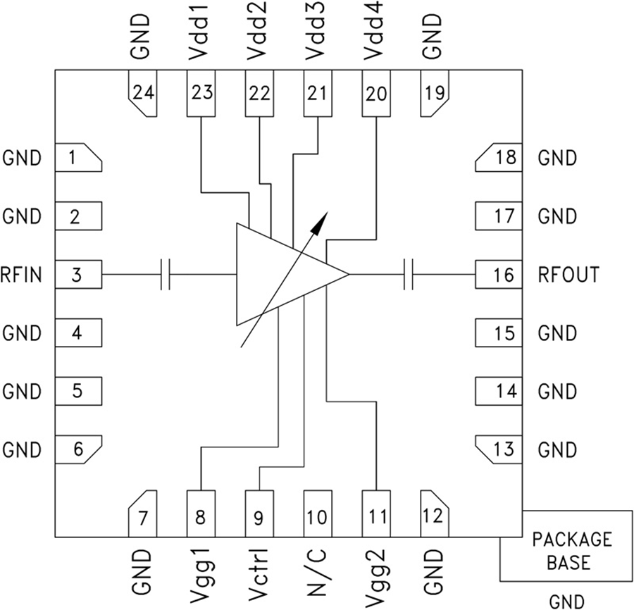
电路图、引脚图和封装图
应用案例
磁力计HMC5883L传感器特性
2023-07-20
探索 HMC652LP2E - HMC655LP2E 宽带固定衰减器家族
2026-03-05
探索HMC656LP2E - HMC658LP2E宽频固定衰减器家族
2026-03-04
HMC804X系列精灵型可编程直流电源的产品特点及应用范围
2020-12-27
基于AT91RM9200和HMC1022芯片实现智能交通车辆检测系统的设计
2020-11-01
探索HMC6187LP4E:27 - 31.5 GHz可变增益放大器的卓越性能
2026-01-15
HMC6187LP4E可变增益放大器,采用SMT封装,27-31.5GHz技术手册
2025-04-19
采用砷化镓(GaAs)工艺制造的HMC232A
2023-02-01

