HMC6146B
GaAs MMIC I/Q上变频器,40 - 44 GHz
制造商:ADI/AD
产品信息
优势和特点
转换增益:12 dB
边带抑制:25 dBc
2LO至RF隔离:15 dB
高输出IP3:+27 dBm
16引脚5x5 mm陶瓷封装:25 mm²
产品详情
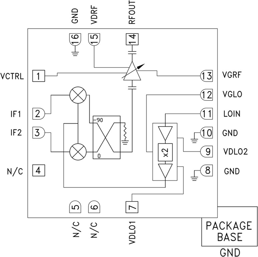
HMC6146BLC5A是一款紧凑型GaAs MMIC I/Q可变增益上变频器,采用无引脚RoHS兼容型SMT封装。 该器件提供12 dB小信号转换增益,具有25 dBc边带抑制和17 db增益控制。 HMC 6146BLC5A采用RF可变增益放大器,在其之前为一个I/Q混频器,LO由X2倍频器驱动。 提供IF1和IF2混频器输入,并且可通过外部90°混合选择所需边带。
I/Q混频器拓扑降低了针对干扰边带进行滤波的要求。 HMC6146BLC5A是一款更小巧、可以代替混合单边带上变频器的产品,支持表贴制造技术,无需线焊。
应用
点对点与点对多点无线电
军用雷达、EW与ELINT
卫星通信
传感器
电路图、引脚图和封装图
应用案例
HMC595A GaAs MMIC 3 W T/R开关DC-3 GHz技术手册
2025-03-08
HMC221B GaAs、MMIC、SPDT开关,10kHz至3GHz技术手册
2025-03-06
HMC347B 0.1GHz~20GHz GaAs SPDT非反射交换芯片技术手册
2025-03-05
HMC543ALC4B 22.5° MMIC 4位数字移相器,8-12GHz技术手册
2025-04-09
HMC260ALC3B GaAs MMIC基波混频器技术手册
2025-03-28
HMC774ALC3B 7GHz至34 GHz、MMIC、双平衡混频器技术手册
2025-03-27
HMC553ALC3B 6GHz至14GHz、GaAs、MMIC、双平衡混频器技术手册
2025-03-27
HMC524ALC3B GaAs MMIC I/Q混频器技术手册
2025-03-27

