HMC613
连续检波对数视频放大器,采用SMT封装 0.1 - 20 GHz
制造商:ADI/AD
产品信息
优势和特点
宽输入带宽;0.1至20 GHz
宽对数范围:59 dB
输出频率平坦度:±1.5 dB
对数线性度:±1 dB
快速上升/下降时间:4/18 ns
恢复时间:26 ns
单正电源:+3.3V
提供航天级封装
24引脚、4x4mm SMT封装:16mm²
产品详情
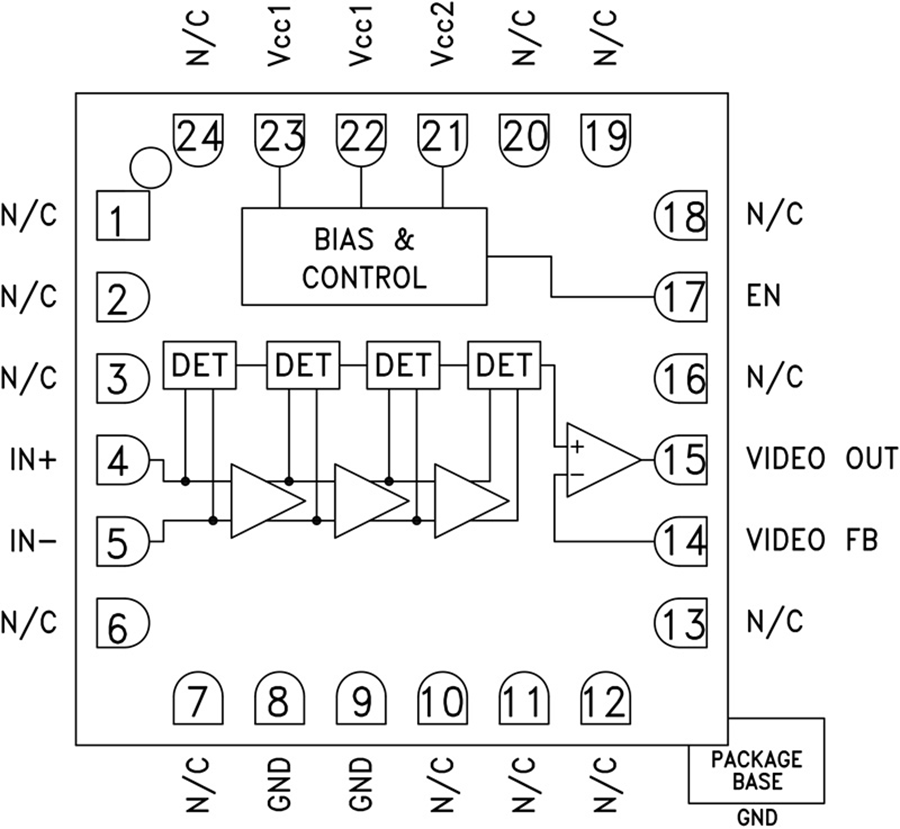
HMC613LC4B是一款连续检波对数视频放大器(SDLVA),工作频率范围为0.1至20 GHz。 HMC613LC4B提供59 dB的对数范围。 该器件快速上升/下降时间典型值为4/18 ns,具有14 ns的出色延迟时间。 HMC613LC4B对数视频输出斜率典型值为14 mV/dB。 最大恢复时间不到30 ns。 HMC613LC4B采用高度紧凑的4x4 mm SMT陶瓷封装,非常适合高速通道化接收机应用。
应用
EW、ELINT与IFM接收机
DF雷达系统
ECM系统
宽带测试与测量
功率测量与控制电路
军事与太空应用

