HMC612
对数检波器控制器,采用SMT封装,50 Hz - 3 GHz
制造商:ADI/AD
产品信息
优势和特点
宽输入带宽:
50 Hz至3 GHz
宽动态范围:最高74 dB
高精度:±1 dB(60 dB范围,最高0.9 GHz)
电源电压:+2.7V至+5.5V
出色的温度稳定性
关断模式
4x4mm紧凑型无引脚
SMT封装
产品详情
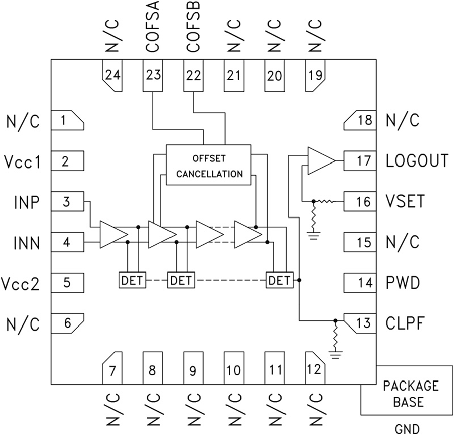
HMC612LP4(E)对数检波器/控制器适合用来将频率范围为50 Hz至3 GHz的输入信号转换为输出端成比例的直流电压。 HMC612LP4(E)采用连续压缩技术,在宽输入频率范围内具有极高的动态范围和转换精度。 随着输入信号增加,连续放大器逐渐进入饱和状态,从而生成对数函数近似值。
对一系列平方律检波器输出求和,转换至电压域并缓冲,以驱动LOGOUT输出。 在检测模式下,LOGOUT引脚短路至VSET输入,并提供19 mV/dB标称对数斜率以及-99 dBm截点。 HMC612LP4(E)还可用于控制器模式,在该模式下外部电压施加到VSET引脚,构成AGC或APC反馈环路。
应用
蜂窝/PCS/3G
WiMAX、WiBro、WLAN、固定无线与雷达
电源监测与控制电路
接收机信号强度指示(RSSI)
自动增益与电源控制

