HMC611LP4
对数检波器控制器,采用SMT封装,0.001 - 10.0 GHz
制造商:ADI/AD
产品信息
优势和特点
宽动态范围:高达63 dB
高精度:±1 dB 54 dB范围高达8 GHz
电源电压:+5V
出色的温度稳定性
缓冲温度传感器输出
紧凑型4x4mm无引脚SMT封装
产品详情
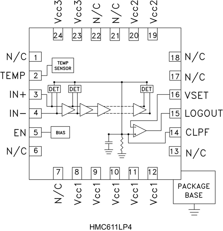
HMC611LP4(E)对数检波器/控制器将输入端的RF信号转换为输出端成正比的DC电压。HMC611LP4(E)利用连续压缩拓扑结构,提供宽输入频率范围内的极高动态范围和转换精度。随着输入功率增加,连续放大器逐渐进入饱和,从而生成精确的对数函数近似值。
一系列平方律检波器输出求和、转换成电压域并缓冲驱动LOGOUT输出。在检测模式下,LOGOUT引脚短路到VSET输入并提供-25mV/dB的标称对数斜率和18 dBm的截距(22 dBm,ƒ ≥ 5.8 GHz)。HMC611LP4(E)也可在控制器模式下使用,向VSET引脚施加外部电压以生成AGC或APC反馈环路。
应用蜂窝/PCS/3G
WiMAX、WiBro、WLAN、 固定无线和雷达
功率监控和控制电路
接收机信号强度指示(RSSI)
自动增益和功率控制
电路图、引脚图和封装图
应用案例
HMC980LP4E高电流有源偏置控制器技术手册
2025-03-21
HMC566LP4E低噪声放大器,采用SMT封装,28-36GHz技术手册
2025-03-20
HMC263LP4E低噪声放大器,采用SMT封装,24-36GHz技术手册
2025-03-19
Hittite均值检波器HMC614LP4的原理图及应用分析
2021-06-24
Han® ES Press HMC连接器能够无需工具即可进行快速安装
2018-12-06
HMC713LP3E对数检波器/控制器的特点及应用范围
2022-10-28
HMC561LP3有源倍频器介绍
2022-09-15
符合RoHS标准无引脚SMT封装的HMC942LP4E
2022-09-15

