HMC609LC4
低噪声放大器,采用SMT封装,2 - 4 GHz
制造商:ADI/AD
产品信息
优势和特点
固定微波
测试和测量设备
雷达和传感器
军事和太空
产品详情
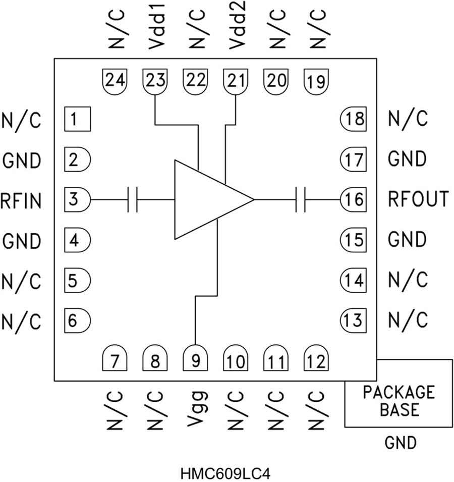
HMC609LC4是一款GaAs PHEMT MMIC低噪声放大器(LNA),工作频率范围为2至4 GHz。 HMC609LC4在整个工作频段内具有出色的平坦性能特性,包括20 dB小信号增益、3.5 dB噪声系数和+36.5 dBm输出IP3。 50 Ω匹配放大器无需任何外部匹配元件。 HMC609LC4可使用高容量表贴制造技术,且RF I/O经过隔直以进一步便于集成。应用
出色的增益平坦度: _0.4 dB
高增益: 20 dB
低噪声系数: 3.5 dB
输出IP3: +36.5 dBm
50 Ω匹配和隔直RF I/O
符合RoHS标准的4x4 mm SMT封装
电路图、引脚图和封装图
技术资料
应用案例
为什么LC振荡器中LC回路一般都工作在失谐状态?
2023-10-20
探索HMC383LC4:12 - 30 GHz GaAs PHEMT MMIC中功率放大器
2026-01-01
探索HMC342LC4:13 - 25 GHz GaAs PHEMT MMIC低噪声放大器
2025-12-31
数据中心为什么离不开LC-LC光纤跳线的加持
2022-12-29
谐波泵浦(x2)MMIC混频器HMC264LC3B概述
2023-05-26
无源、宽频、I/Q单片式混频器HMC8191LC4概述
2023-05-24
HMC506LP4ETR集成缓冲放大器
2023-06-27
Blackfin双核处理器DSP-BF609的主要特性及应用电路
2021-03-18

