HMC602
70 dB对数检波器/控制器,采用SMT封装,1 - 8,000 MHz
制造商:ADI/AD
产品信息
优势和特点
宽动态范围:最高70 dB
高精度:±1 dB(60 dB,范围达6 GHz)
快速:10ns输出响应时间
电源电压:+5V
关断模式
出色的温度稳定性
缓冲温度传感器输出
4x4mm无引脚SMT封装
产品详情
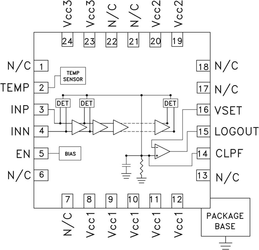
HMC602LP4(E)对数检波器/控制器可在输入端将RF信号转换为输出端成比例的直流电压。 HMC602LP4(E)采用逐次压缩拓扑,在宽输入频率范围内具有极高的动态范围和转换精度。 随着输入功率增加,连续放大器逐渐进入饱和,从而生成对数函数近似值。
对一系列平方律检波器输出求和,转换至电压域并缓冲,以驱动LOGOUT输出。 在检测模式下,LOGOUT引脚短路至VSET输入,并提供-25mV/dB标称对数斜率以及18 dBm截点(ƒ ≥ 5.8 GHz时为23 dBm)。 HMC602LP4(E)还可用于控制器模式,在该模式下外部电压施加到VSET引脚,构成AGC或APC反馈环路。
应用
蜂窝/PCS/3G
WiMAX、WiBro、WLAN、固定无线与雷达
电源监测与控制电路
接收器信号强度指示(RSSI) li>
自动增益与电源控制

