HMC596
CMOS 4x2开关矩阵,采用SMT封装,0.2 - 3.0
制造商:ADI/AD
产品信息
优势和特点
高电平隔离/低插入损耗
集成式CMOS兼容4位解码器
单正电源: Vdd= +5V
QFN无引脚SMT封装,16 mm²
使用双IC的4x4开关矩阵
产品详情
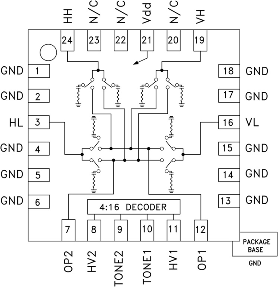
HMC596LP4(E)是一款低成本4x2开关矩阵产品,采用无引脚QFN 4x4 mm表贴封装,可用于卫星/DBS、LNB和200 MHz至3000 MHz的多路开关。 开关上集成由正电压控制的4位解码器。 该开关可用于75 Ω或50 Ω系统。
两个开关输出(OP1和OP2)都能独立选择四个输入(HH、HL、VH、VL)中的任意一个,或者同时选择相同的输入。 注意,开关是双向的,并且输入/输出功能可以互换。 提供的全部数据均在50 Ω(输入/输出)系统中测量。
应用
DBS LNB与多路开关
电缆调制解调器/有线电视
蜂窝系统

