HMC588
采用SMT封装的宽带VCO,带有缓冲放大器,8 - 12.5 GHz
制造商:ADI/AD
产品信息
优势和特点
宽调谐带宽
Pout: +5 dBm
低SSB相位噪声: -93 dBc/Hz(100 kHz)
无需外部谐振器
单正电源: +5V (55 mA)
符合RoHS标准的4 x 4 mm SMT封装
产品详情
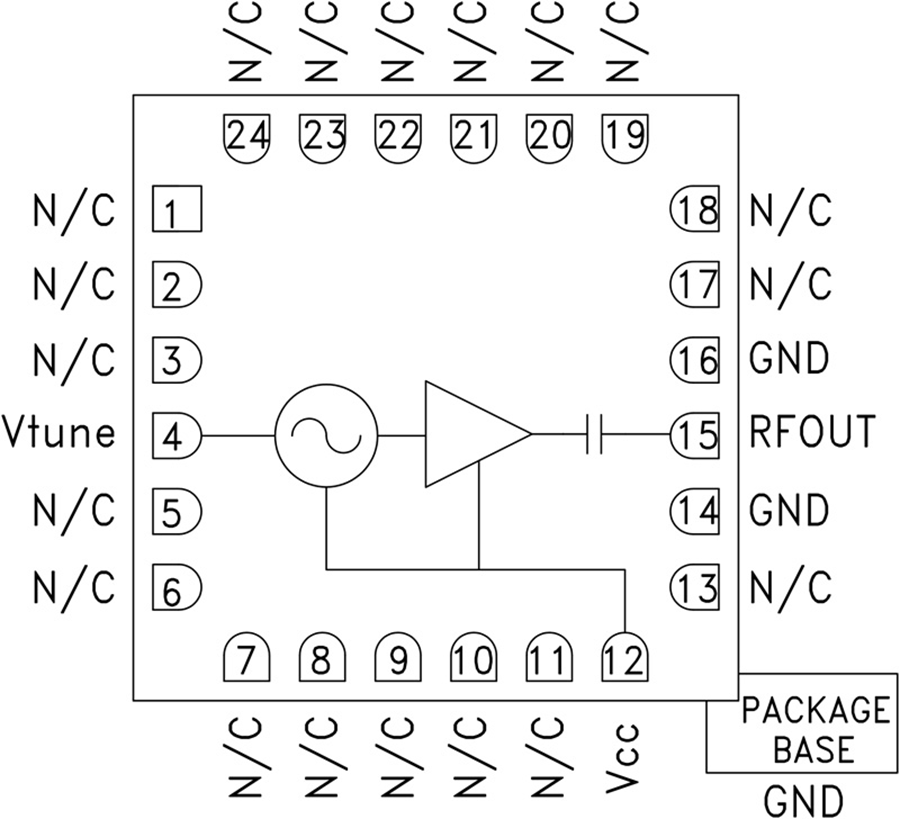
HMC588LC4B是一款宽带GaAs InGaP HBT MMIC电压控制振荡器,集成了谐振器、负电阻器件、变容二极管。 由于振荡器的单芯片结构,其输出功率和相位噪声性能在不同的温度下始终非常出色。 Vtune端口接受0至+13V的模拟调谐电压。 HMC588LC4B VCO采用+5V单电源供电,功耗仅55 mA,提供符合RoHS标准的SMT封装。 这款宽带VCO集超小尺寸、低相位噪声、低功耗和宽调谐范围等特性于一体,构成独特的特性组合。
应用
工业/医疗设备
测试和测量设备
军用雷达、电子战和电子对抗

