HMC586
采用SMT封装的宽带VCO,带有缓冲放大器,4 - 8 GHz
制造商:ADI/AD
产品信息
优势和特点
宽调谐带宽
Pout: +5 dBm
低SSB相位噪声:-100 dBc/Hz @100 kHz
无需外部谐振器
单正电源:+5V @ 55 mA
符合RoHS标准的4x4 mm SMT封装
产品详情
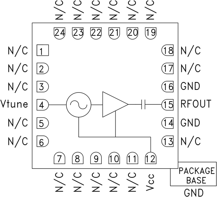
HMC586LC4B是一款宽带GaAs InGaP电压控制振荡器,集成了谐振器、负电阻器件、变容二极管。 由于振荡器的单芯片结构,其输出功率和相位噪声性能在不同的温度下始终非常出色。 Vtune端口接受0至+18V的模拟调谐电压。 HMC586LC4B VCO采用+5V单电源供电,功耗仅55 mA,提供符合RoHS标准的SMT封装。 这款宽带VCO集超小尺寸、低相位噪声、低功耗和宽调谐范围等特性于一体,构成独特的特性组合。
应用
工业/医疗设备
测试和测量设备
军用雷达、电子战和电子对抗
电路图、引脚图和封装图
应用案例
索尼IMX586当副摄,Find X2 Pro的拍照能力很强
2020-03-12
探索HMC374/HMC374E低噪声放大器:高性能与紧凑设计的完美结合
2026-01-01
HMC-ALH435 低噪声放大器芯片,5 - 20 GHz 产品性能浅谈
2021-12-16
HMC-ALH444 产品详情浅谈
2021-11-29
即将发布!国产首款索尼IMX586+OIS光学防抖的骁龙855旗舰——魅族16s
2019-04-15
基于HMC1022和HMC1021三轴磁阻传感器模块设计
2018-02-06
hmc5883l的特点及优点_HMC5883L磁力计校准方法
2018-03-08
基于HMC704LP4的一种X波段跳频源设计方案
2013-10-22

