HMC582
采用SMT封装的VCO,具有Fo/2,提供4分频,11.1 -12.4 GHz
制造商:ADI/AD
产品信息
优势和特点
三路输出: Fo= 11.1 - 12.4 GHz Fo/2= 5.55 - 6.2 GHz Fo/4= 2.78 - 3.1 GHz
Pout: +9 dBm
相位噪声: -典型值为-110 dBc/Hz(100 kHz)
无需外部谐振器
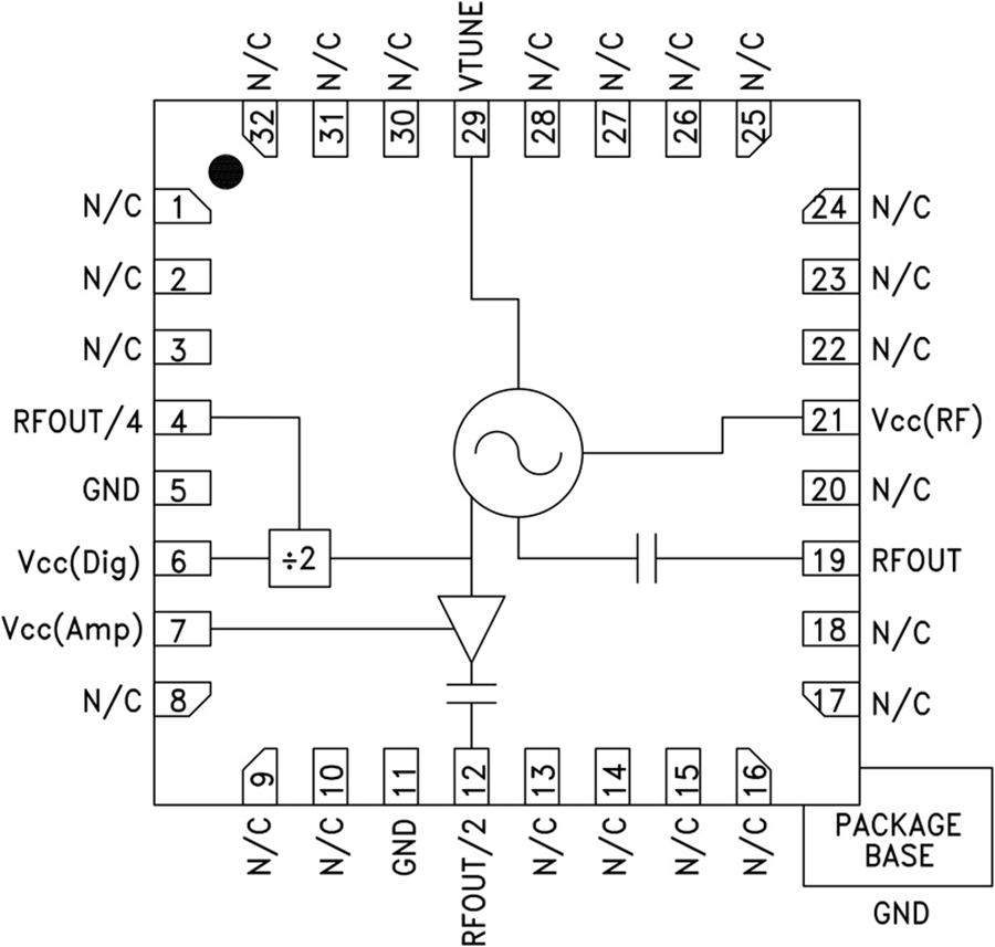
QFN无引脚SMT封装,25 mm²
产品详情
HMC582LP5(E)是一款GaAs InGaP异质结双极性晶体管(HBT) MMIC VCO。 HMC582LP5(E)集成了谐振器、负电阻器件和变容二极管,可输出半频,并提供4分频输出。 由于振荡器的单芯片结构,该VCO的相位噪声性能在不同的温度、冲击和工艺条件下均非常出色。
采用+5V电源电压时,输出功率为+9 dBm(典型值)。 如果不需要,可以禁用预分频器和RF/2功能以节省电流。 该电压控制振荡器采用无引脚QFN 5x5 mm表贴封装,无需外部匹配元件。
应用
点对点无线电
点对多点无线电
测试设备和工业控制
卫星通信
军事最终用途

