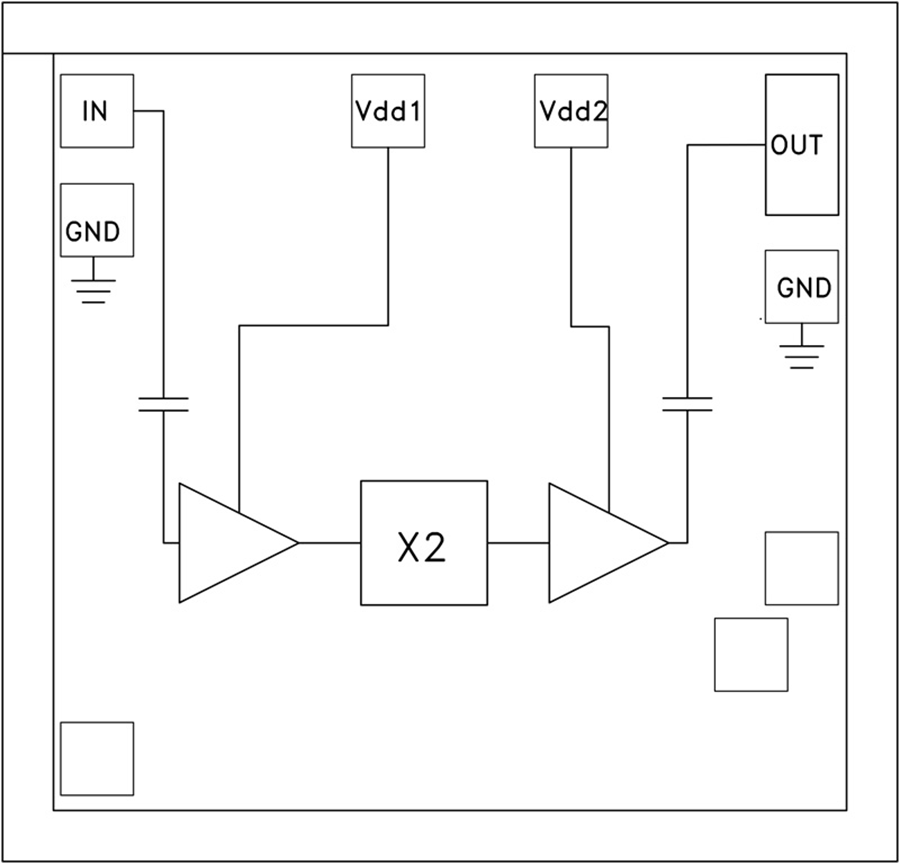
HMC579
x2有源倍频器芯片,32 - 46 GHz Fout
制造商:ADI/AD
产品信息
优势和特点
高输出功率: +13 dBm
低输入功率驱动: 0至+6 dBm
Fo隔离: >25 dBc(Fout = 38 GHz时)
100 kHz SSB相位噪声: -127 dBc/Hz
单电源: +5V (70 mA)
裸片尺寸: 1.18 x 1.23 x 0.1 mm
产品详情
HMC579裸片是一款x2有源宽带倍频器,采用GaAs PHEMT技术。 由+3 dBm信号驱动时,该倍频器提供+13 dBm的典型输出功率,在32至46 GHz的频率下工作。 在38 GHz频率下,Fo隔离为>25 dBc。 HMC579非常适合在点对点和VSAT无线电的LO倍频链中使用,与传统方法相比,可以减少器件数量。 100 kHz偏置时的低加性SSB相位噪声为-127 dBc/Hz,有助于保持良好的系统噪声性能。
应用
时钟生成应用:SONET OC-192 & SDH STM-64
点对点和VSAT无线电
测试仪器仪表
军事电子战/雷达
太空

