HMC577
x2有源倍频器,采用SMT封装, 27至31 GHz Fout
制造商:ADI/AD
产品信息
优势和特点
极高输出功率: +20 dBm
低输入功率驱动: -2至+6 dBm
>极高的Fo、3Fo隔离:>55 dBc @ Fout= 29 GHz
100 kHz SSB相位噪声: -128 dBc/Hz
单电源: +5V (213 mA)
RoHS Compliant 4x4 mm SMT Package
产品详情
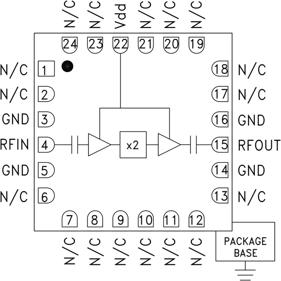
HMC577LC4B是一款x2有源宽带倍频器,使用GaAs PHEMT技术,采用符合RoHS标准的无引脚SMT封装。 由+5 dBm信号驱动时,该倍频器提供+20 dBm的典型输出功率,在27至31 GHz的频率下工作。 在29 GHz频率下的Fo和3Fo隔离为>55 dBc。
HMC577LC4B非常适合在点对点和VSAT无线电的LO倍频链中使用,与传统方法相比,可以减少器件数量。 100 kHz偏置时的低加性SSB相位噪声为-128 dBc/Hz,有助于保持良好的系统噪声性能。 采用RoHS封装的HMC577LC4B无需线焊,允许使用表面贴装制造技术。
应用
时钟生成应用:SONET OC-192 & SDH STM-64
点对点和VSAT无线电
测试仪器仪表
军事和太空

