HMC576LC3B
x2有源倍频器SMT,18 - 29 GHz Fout
制造商:ADI/AD
产品信息
优势和特点
高输出功率: +15 dBm
低输入功耗驱动: 0至+6 dBm
Fo隔离: >20 dBc(Fout = 24 GHz时)
100 kHz SSB相位噪声: -132 dBc/Hz
单电源: +5V (82 mA)
符合RoHS标准的3x3 mm SMT封装
产品详情
HMC576LC3B是一款使用GaAs PHEMT技术的x2有源宽带倍频器,采用符合RoHS标准的无引脚SMT封装。 由+3 dBm信号驱动时,该倍频器在18至29 GHz范围内提供+15 dBm的典型输出功率。 在24 GHz频率下,Fo和3Fo隔离大于20 dBc。
HMC576LC3B非常适合在点对点和VSAT无线电的LO倍频链中使用,与传统方法相比,可以减少器件数量。 100 kHz偏置时的低加性SSB相位噪声为-132 dBc/Hz,有助于保持良好的系统噪声性能。 HMC576LC3B采用符合RoHS标准的封装,无需线焊,可以使用表贴制造技术。
应用
时钟生成应用:SONET OC-192和SDH STM-64
点对点和VSAT无线电
测试仪器仪表
军事和太空
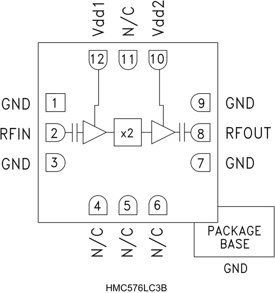
电路图、引脚图和封装图
应用案例
HMC595A GaAs MMIC 3 W T/R开关DC-2025-03-08
【LC3开源峰会网络技术系列之三】基于JStorm的网络分析平台
2018-07-23
LC低通滤波器原理及设计方法
2022-12-16
HMC221B GaAs、MMIC、SPDT开关,10kHz至3GHz技术手册
2025-03-06
【LC3开源峰会网络技术系列之二】阿里云开发智能网卡的动机、功能框架和软转发程序
2018-07-23
阿里云Redis团队LC3全球顶级开源峰会获CRUG"开源社区最具影响力奖
2018-07-23
LC3大会,开源人的狂欢,反哺的力量驱动技术革新
2018-07-23
LC3网络技术演讲系列之一:基于VPP平台的网络服务优化
2018-07-23

