HMC573
x2有源倍频器,采用SMT封装,8至22 GHz Fout
制造商:ADI/AD
产品信息
优势和特点
高输出功率:+12 dBm
低输入功率驱动:0 to +6 dBm
Fo隔离:>20 dBc @ Fout= 16 GHz
100 KHz SSB相位噪声: -134 dBc/Hz
单电源: +5V (92 mA)
RoHS Compliant 3x3 mm SMT Package
产品详情
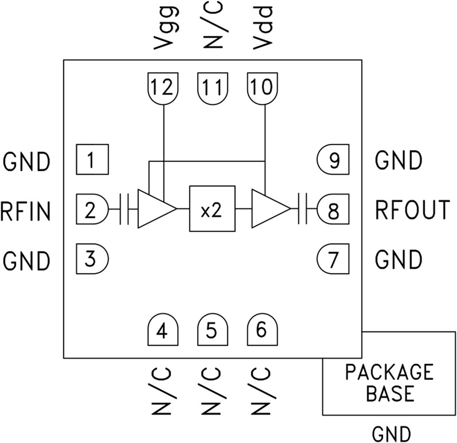
HMC573LC3B是一款x2有源宽带倍频器,使用GaAs PHEMT技术,采用符合RoHS标准的无引脚SMT封装。 由+5 dBm信号驱动时,该倍频器提供+12 dBm的典型输出功率,在8至22 GHz的频率下工作。 在16 GHz的频率下,Fo和3Fo隔离分别为>20 dBc和>25 dBc。
HMC573LC3B非常适合在点对点和VSAT无线电的LO倍频链中使用,与传统方法相比,可以减少器件数量。 100 kHz偏置时的低加性SSB相位噪声为-134 dBc/Hz,有助于保持良好的系统噪声性能。 采用RoHS封装的HMC573LC3B无需线焊,允许使用表面贴装制造技术。
应用
时钟生成应用:SONET OC-192 & SDH STM-64
点对点和VSAT无线电
测试仪器仪表
军事和太空

