HMC570LC5
I/Q接收机,采用SMT封装,17 - 21 GHz
制造商:ADI/AD
产品信息
优势和特点
转换增益: 10 dB
镜像抑制: 18 dB
2 LO至RF隔离: 65 dB
噪声系数: 3 dB
输入IP3: 2 dB
符合RoHS标准5x5 mm SMT封装
产品详情
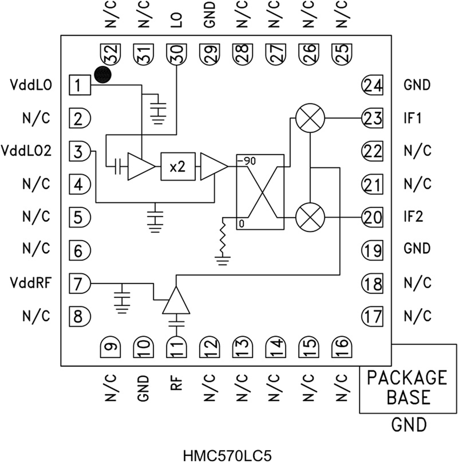
HMC570LC5是一款紧凑型GaAs MMIC I/Q下变频器,采用符合RoHS标准的无引脚SMT封装。 该器件在整个频段范围内提供10 dB的小信号转换增益、3 dB的噪声系数和18 dB的镜像抑制性能。 HMC570LC5采用LNA,后接由x2有源倍频器驱动的镜像抑制混频器。 该镜像抑制混频器使得LNA之后无需使用滤波器,并可消除镜像频率下的热噪声。
它具有I和Q混频器输出,所需外部90°混合型器件用于选择所需边带。 HMC570LC5为混合型镜像抑制混频器下变频器组件的小型替代器件,它无需线焊,可以使用表贴制造技术。
应用
点对点
点对多点无线电
军用雷达、EW和ELINT
卫星通信
电路图、引脚图和封装图
应用案例
HMC772LC4低噪声放大器技术手册
2025-03-21
HMC659LC5功率放大器,采用SMT封装,DC-15GHz技术手册
2025-03-21
HMC635LC4 GaAs PHEMT MMIC驱动放大器,18-40GHz技术手册
2025-03-21
HMC634LC4驱动放大器,采用SMT封装,5-20GHz技术手册
2025-03-21
HMC609LC4低噪声放大器,采用SMT封装,2-4GHz技术手册
2025-03-21
HMC564LC4低噪声放大器,采用SMT封装,7-14GHz技术手册
2025-03-20
HMC517LC4低噪声放大器,采用SMT封装,17-26GHz技术手册
2025-03-20
HMC383LC4中等功率放大器,12-30GHz技术手册
2025-03-20

