HMC547ALP3E
GaAs MMIC SPDT非反射式开关,DC - 20 GHz
制造商:ADI/AD
产品信息
优势和特点
高隔离度:
>50 dB,最高为5 GHz
>40 dB,最高为15 GHz
低插入损耗:1.8 dB(10 GHz时)
2.5 dB(20 GHz时)
快速开关
非反射设计
QFN SMT封装,9 mm2
产品详情
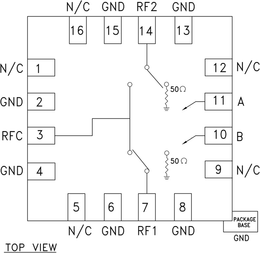
HMC547ALP3E是一款通用的宽带高隔离度非反射GaAs pHEMT SPDT开关,采用低成本无引脚QFN塑封表贴封装。该开关频率范围为DC至20 GHz,具有高隔离和低插入损耗。该开关在最高5 GHz频率下提供大于50 dB的隔离,在最高15 GHz频率下提供大于40 dB的隔离。该开关采用-5/0V的互补负控制电压逻辑线路工作,无需偏置电源。HMC547ALP3E采用无引脚QFN 3x3 mm表贴封装。
应用
基站基础设施
光纤和宽带电信
微波无线电和VSAT
军用无线电、雷达和ECM
测试仪器仪表
电路图、引脚图和封装图
应用案例
适用于380V系统中的PT柜电压互感器的监测和电压保护低压测控装置ALP220-PT
2024-02-20
ALP300水泵风机缺相保护器
2024-02-18
ALP200智能低压线路保护器
2024-02-18
HMC1019ALP4E 0.5 dB LSB GaAs MMIC 5位数字衰减器,0.1-30GHz技术手册
2025-05-02
HMC1018ALP4E 1.0 dB LSB GaAs MMIC 5位数字衰减器,0.1-30GHz技术手册
2025-05-02
HMC346ALP3E GaAs MMIC电压可变衰减器,DC-14GHz技术手册
2025-05-02
HMC792ALP4E 0.25 dB LSB GaAs MMIC 6位数字衰减器,采用SMT封装,DC- 6GHz技术手册
2025-04-25
HMC468ALP3E 1 dB LSB GaAs MMIC 3位数字正电压控制衰减器,DC
2025-04-24

