HMC540S
1 dB LSB 硅芯片 MMIC 4位数字正电压控制衰减器,0.1 - 8 GHz
制造商:ADI/AD
产品信息
优势和特点
1 dB LSB步进至15 dB
步长误差:±0.2 dB(典型值)
低插入损耗: 1 dB
高IP3: +50 dBm
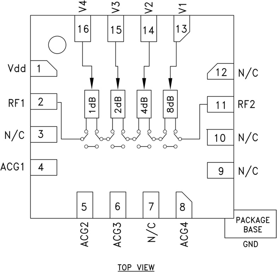
每位单个控制线路
TTL/CMOS兼容控制
+5V单电源
3x3 mm SMT封装
产品详情
HMC540SLP3E是一款宽带4位IC芯片数字衰减器,采用低成本无引脚表贴封装。 这款每位单个正电压控制线路的数字衰减器采用片外AC接地电容器,在接近直流的情况下工作,这一特点使得它非常适合各种RF和IF应用。 在0.1到8 GHz频率下运行,插入损耗低于1 dB典型值。 对于15 dB的总衰减,衰减器位值为1 (LSB)、2、4和8 dB。 它具有出色的衰减精度,典型步长误差为± 0.2 dB。 衰减器还具有+56 dBm IP3。 四位TTL/CMOS控制输入用于选择各衰减状态。 它可采用+3.3V至5V单电源Vdd供电。
应用
蜂窝通信基础设施
ISM, MMDS, WLAN, WiMAX, WiBro
微波无线电和VSAT
测试设备和传感器

