HMC539A
0.25 dB LSB GaAs MMIC 5位数字正控制衰减器,DC - 4 GHz
制造商:ADI/AD
产品信息
优势和特点
0.25 dB LSB步进至7.75 dB
步长误差:±0.05 dB(典型值)
低插入损耗: 0.7 dB
高IP3: +62 dBm
每位单个控制线路
TTL/CMOS兼容控制
+3/+5V单电源
3x3 mm SMT封装
产品详情
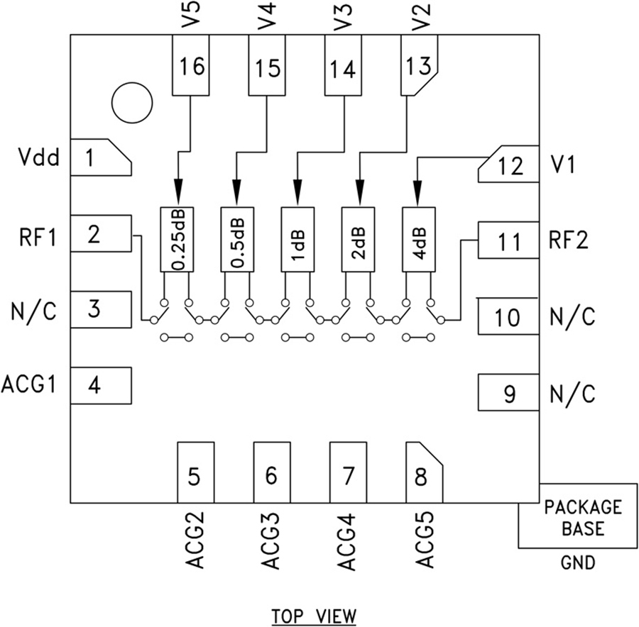
HMC539A是一款宽带5位GaAs IC数字衰减器,采用低成本引脚表贴封装。 这款每位单个正电压控制线路的数字衰减器采用片外AC接地电容器,在接近直流的情况下工作,这一特点使得它非常适合各种RF和IF应用。 工作频率范围DC至4.0 GHz,插入损耗低于0.7 dB典型值。 对于7.75 dB的总衰减,衰减器位值为0.25 (LSB)、0.5、1、2和4 dB。 它具有出色的衰减精度,典型步长误差为± 0.05 dB。 衰减器还具有+50 dBm高IP3。 五个TTL/CMOS控制输入用于选择各衰减状态。 需+5V Vdd单偏置。
应用
蜂窝通信基础设施
ISM, MMDS, WLAN, WiMAX, WiBro
微波无线电和VSAT
测试设备和传感器

