HMC535
锁相振荡器,采用SMT封装,14.7 - 15.4 GHz
制造商:ADI/AD
产品信息
优势和特点
Pout: +9 dBm
相位噪声: 典型值为-110 dBc/Hz(100 KHz)
单电源: +5V @ 340 mA12V @ 28 mA
QFN无引脚SMT封装,16 mm²
产品详情
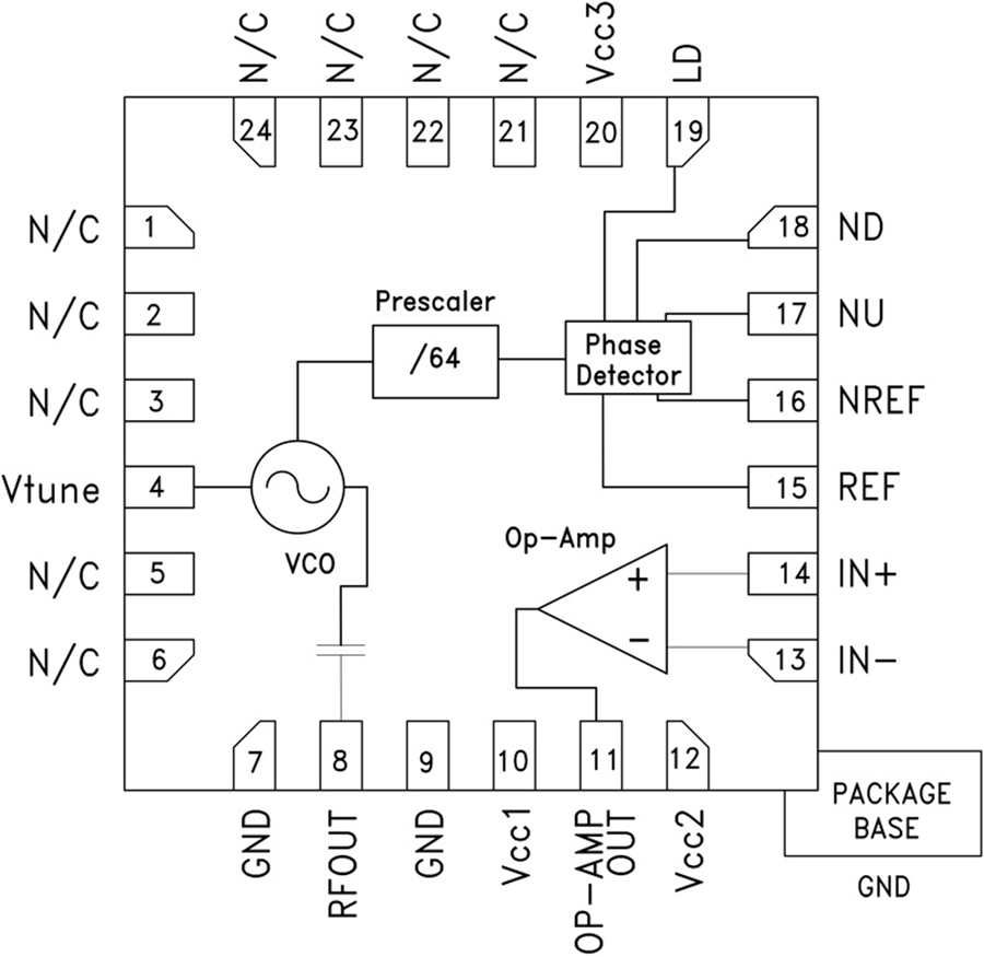
HMC535LP4(E)是一款GaAs InGaP异质结双极性晶体管(HBT) MMIC PLO。 由于振荡器的单芯片结构,PLO的相位噪声性能在温度、冲击和工艺条件下均非常出色。 采用+5V电源电压时,输出功率为+9 dBm(典型值)。
所有功能(VCO、运算放大器、PFD、预分频器)完全集成,同时允许使用片外客户特定环路元件。 PLO MMIC接受230至240 MHz范围内的单端或差分参考振荡器输入信号,并提供数字锁定检测器(LD)输出,以确认环路的状态。 该锁相振荡器采用无引脚QFN 4x4 mm表贴封装。
应用
VSAT无线电
点对点和点对多点无线电
测试设备和工业控制
军事最终用途

