HMC534
采用SMT封装的VCO,具有Fo/2,提供4分频,10.6 - 11.8 GHz
制造商:ADI/AD
产品信息
优势和特点
双路输出: Fo = 10.6 - 11.8 GHz Fo/2 = 5.3 - 5.9 GHz
Pout: +11 dBm
相位噪声: 典型值为-110 dBc/Hz(100 kHz)
无需外部谐振器
QFN无引脚SMT封装,25 mm²
产品详情
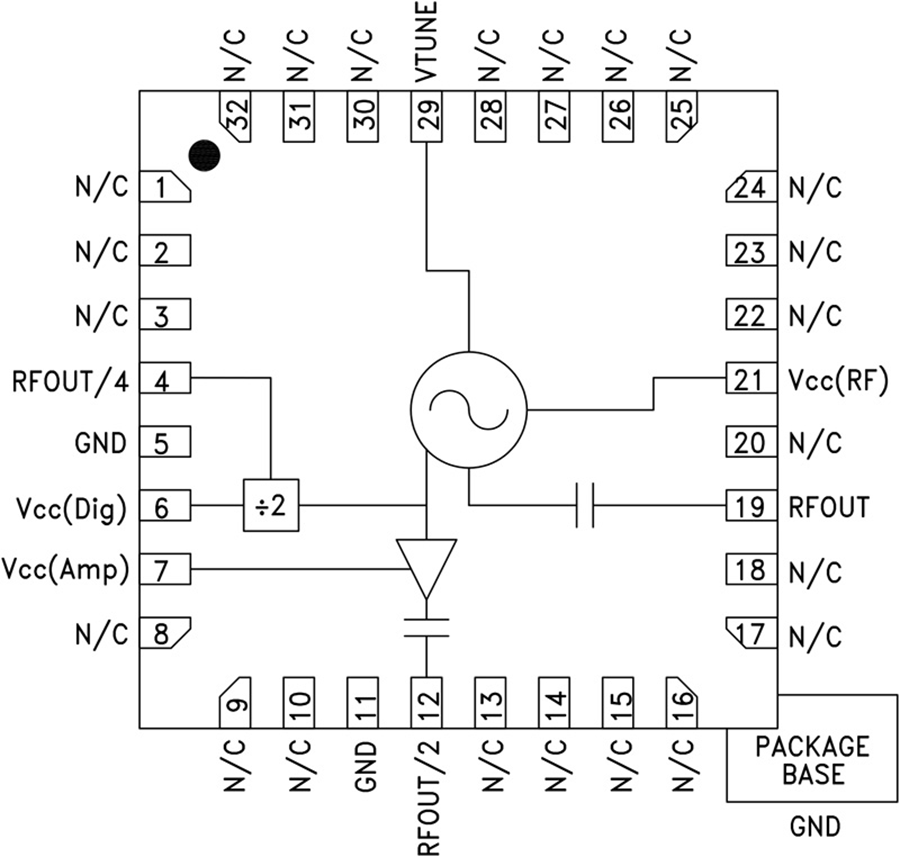
HMC534LP5(E)是一款GaAs InGaP异质结双极性晶体管(HBT) MMIC VCO。 HMC534LP5(E)集成了谐振器、负电阻器件和变容二极管,可输出半频,并提供4分频输出。 由于振荡器的单芯片结构,VCO的相位噪声性能在温度、冲击和工艺条件下均非常出色。 采用+5V电源电压时,输出功率为+11 dBm(典型值)。 如果不需要,可以禁用预分频器和RF/2功能以节省电流。 该电压控制振荡器采用无引脚QFN 5x5 mm表贴封装,无需外部匹配元件。
应用
点对点/多点无线电
测试设备和工业控制
卫星通信
军事最终用途
电路图、引脚图和封装图
应用案例
业界首款15Gb/s HMC接口的展示
2018-11-27
高速利器:HMC674LC3C/HMC674LP3E 9.3 GHz 锁存比较器深度剖析
2026-01-06
9.3 GHz 锁存比较器 HMC674LC3C/HMC674LP3E:性能与应用全解析
2026-01-06
探索HMC591LP5/HMC591LP5E:6.0 - 9.5 GHz GaAs PHEM
2026-01-04
高精度模拟乘法器:AD534的特性、应用与设计指南
2026-01-15
探索HMC462LP5/HMC462LP5E:2 - 20 GHz宽带低噪声放大器
2026-01-04
HMC642A/HMC642LC5 6位数字移相器芯片和采用SMT封装技术手册
2025-04-09
探索HMC454ST89/HMC454ST89E:高性能InGaP HBT放大器的卓越表现
2026-01-04

